这个带通Gm-C滤波器是怎么综合出来的?
录入:edatop.com 阅读:
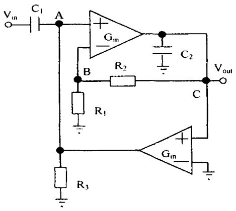
如题,对filter研究不多,是用跳蛙结构综合出来的?还是用别的方法?接触Gm-C滤波器应该看什么资料那?小弟先谢过
申明:网友回复良莠不齐,仅供参考。如需专业解答,请学习本站推出的微波射频专业培训课程。
上一篇:有没有仿真工具可以仿真出来电路工作过程中某个节点的对地等效电容
下一篇:lvs报错Stamping conflict,但是应该怎样该呢

