要不要使偏置电路的管子工作在饱和区
录入:edatop.com 阅读:
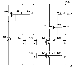
为得到 Vb3、Vb4 ,用不用使M5、M6、M7、M8工作在饱和区。

没有必要,事实上不应该,有时候串联很多管子作为电阻用,个人观点,仅供参考
如果是cascode偏置结构呢?
需要吧,也不难啊这么做
呵呵,呵呵
M5678都需要在饱和区,有时候在M4,9的source端会加linear region的管子,进而调节Vb3和Vb2
vb4连接的管子当然要工作在饱和区,vb3连接的管子最好也工作在饱和区,这样的系统失配会最小。如果你不介意cascode管子工作在线性区带来的输出阻抗下降对系统失配的影响,也无所谓。另,同意四楼的,这样做不难
如果M4源端加一线性区的管子,要使M5、6工作在饱和区,得到想要的VB3,vb4 ,很难控制。有什么方法么?
这低压共源共栅结构的特点不是在于让管子不工作在饱和区。调节尺寸可以让管子都在饱和区的。
直接减小M4的W/L啊,为何要再串个管子
谢谢各位指导
我觉得直接把电流镜理解成提供栅电压的玩意就行了
需要的,并且所有工艺角和电源拉片都要满足。
申明:网友回复良莠不齐,仅供参考。如需专业解答,请学习本站推出的微波射频专业培训课程。
上一篇:如何降低运放的THD,
下一篇:ubuntu64位安装Medici2003问题请教

