RF Switch design

录入:edatop.com    阅读:
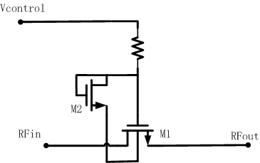
我在网上看到一个RF Switch是这样做的,用于手机的天线开关,请问这样做有什么好处呢?谢谢

申明:网友回复良莠不齐,仅供参考。如需专业解答,请学习本站推出的微波射频专业培训课程

上一篇:VCo频率的温度稳定性
下一篇:关于xosc的两点疑问

射频和天线工程师培训课程详情>>

  网站地图