怎么使运放的共模输出电压稳定在电源的一半
录入:edatop.com 阅读:
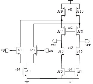
在使用理想开关共模反馈时,共模输出是900mv,但是,当使用实际的开关共模反馈,再不加输入电压时,正端输出接负端输入,负端输出接正端输入时,输出共模变为1v。请问怎么才能调节共模输出为900mv呢?反馈点接在VB4上。

900mv at output with all this devices cascoded ! u must be working with a high value supply .. any way try re-sizing ur devices to get the voltage devision ratio u want
loop gain 不太够?
开环是74dB
和开环无关,共模反馈环路的gain, sc -cmfb可以用PSS +PSTB来仿真
和开环无关,CMFB环路的闭环增益,用PSS+PSTB可以得到SCCMFB的
申明:网友回复良莠不齐,仅供参考。如需专业解答,请学习本站推出的微波射频专业培训课程。
上一篇:相位噪声的上转换
下一篇:有关Complex filter频率响应的问题

