请教如何调低UVLO的温度漂移
录入:edatop.com 阅读:
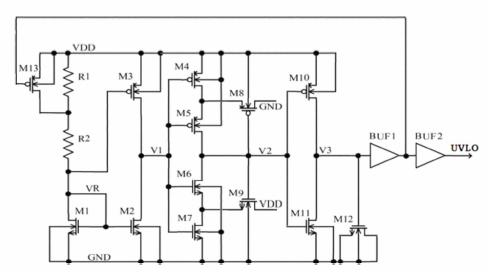
UVLO电路如图,温度漂移比较大,请问该怎么调节啊?
UVLO怎么解释。
under low voltage lock
vcc < UVLO_on will lock ..like PWM IC , gate will OFF
when VCC > UVLO on
for ac/dc pwm
uvlo on => 16~17v
uvlo_off = 9~10v
因為 gate 有 gate limit 11~15v . 如果 vcc < 10v
mos Vgate < 10v , mos 會導通不夠好
一般都不會讓 vcc 低於 10v .
一般 VCC light load 17~18v
heavy load 15~16v
另外 一般 要準都得使用 bandgap .. 否則何須 bandgap ?
有些 uvlo 使用 diode breakdown 會變化很大
一般 業界是不使用這類 ..
有vthn在,很难搞啊。
要么纯粹用电阻分压试试?
under voltage locked out欠压锁定电路
恩,谢谢指导,我来试试看。
大神回答的很详细,谢谢了!
申明:网友回复良莠不齐,仅供参考。如需专业解答,请学习本站推出的微波射频专业培训课程。
上一篇:这个图上的单位怎么换算
下一篇:layout-----MOS电容lvs问题

