关于线驱动负载连接问题
录入:edatop.com 阅读:
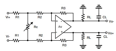
论坛里面关于线驱动的帖子好少啊全差分线驱动器如果需要最大500mA的驱动能力,输出VPP=4V,则负载怎么连接呢
大部分论文都是接线圈再接负载,也有论文是直接接负载


如果需要达到上述设计要求,那么负载电阻4欧姆,通过线圈的连接方式,那驱动器的输出电阻怎么计算呢?
大部分论文都是接线圈再接负载,也有论文是直接接负载


如果需要达到上述设计要求,那么负载电阻4欧姆,通过线圈的连接方式,那驱动器的输出电阻怎么计算呢?
顶一个先,采用的是AB类输出级, 各位前辈多多指点啊
哦 no …… 俺顶
申明:网友回复良莠不齐,仅供参考。如需专业解答,请学习本站推出的微波射频专业培训课程。
上一篇:ADC采样、保持电路的放大器。
下一篇:PA设计请教

