请教:同步整流中MOS反向接到底是因为神马?
录入:edatop.com 阅读:
如图,在这种同步整流中,1、功率MOS为什么要求电流反向流?就是NMOS从S到D?2、反向的话要求S电压大于D,那怎么确保它的寄生二极管是不导通的啊?
3、就是导通电压很小嘛?那为啥非要反向用呢?
谢谢您们。
求指点啊啊啊
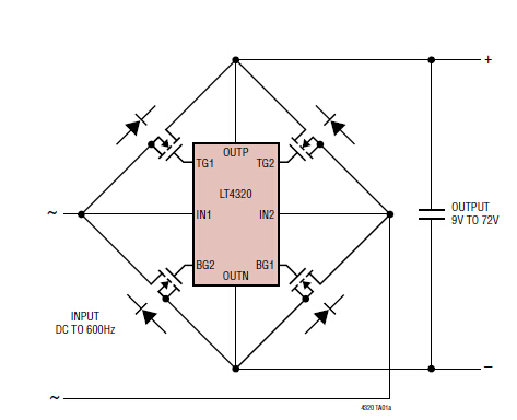
开机是,LT4320 还没有上电,AC 电源通过体二极管整流供电给 LT4320 . LT4320 工作后,追踪波形,控制MOS管通断,达到导通电阻最小,效率最高.
申明:网友回复良莠不齐,仅供参考。如需专业解答,请学习本站推出的微波射频专业培训课程。
上一篇:请教90nm UMC CMOS MIM 电容 layout 的连接
下一篇:大家是怎么确定bipolar发射极面积的呢?

