cp电荷泵里运放带宽问题
录入:edatop.com 阅读:
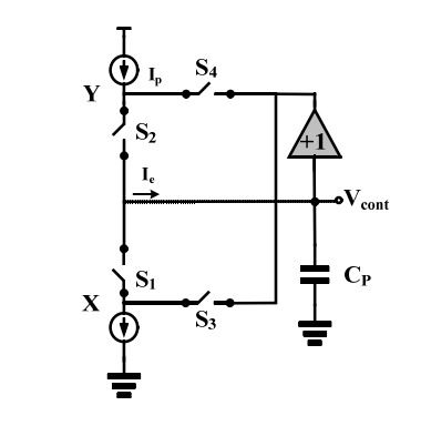
这种结构的cp这个运放的带宽怎么取啊,跟环路带宽什么关系
你的想法呢
运放的3db带宽应该是环路带宽的10倍?求指点
别沉啊,求指点
申明:网友回复良莠不齐,仅供参考。如需专业解答,请学习本站推出的微波射频专业培训课程。
这种结构的cp这个运放的带宽怎么取啊,跟环路带宽什么关系
你的想法呢
运放的3db带宽应该是环路带宽的10倍?求指点
别沉啊,求指点
申明:网友回复良莠不齐,仅供参考。如需专业解答,请学习本站推出的微波射频专业培训课程。