关于一个 12bit SAR ADC的一个问题
在做比较器时 请问如何确定比较器的增益和GBW呢? 应该怎样计算? 我一直很困惑
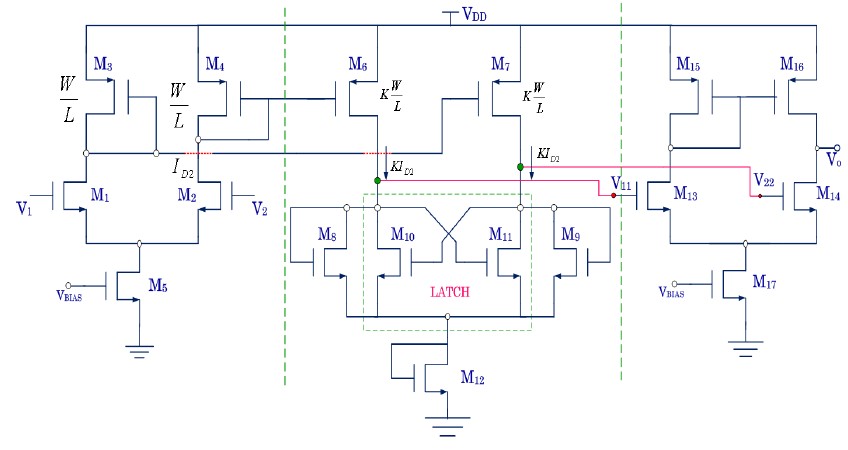
我用的结构是preamp+latch+buffer 请懂的大神指教 在线等 谢谢了!
这个要看你对速度的要求,你用的是差分结构还是单端的,有矫正么
您是指什么速度? 采样率1K呀
是差分输入 单端输出 您能告诉我怎么计算么 谢谢了!
对于lauch,何谓增益?何谈gbw?
我觉得只能瞬态分析吧。
有必要搞得这么复杂吗?
不需要做DC offset cancellation吗?
比较器也有带宽的要求吗?
有啊,开环也有速度问题的
This comparator is not dynamic (i.e., clocked latch).
Only the middle stage is of regenrative type, and is diode clamped.
So its output swings would be clamped, instead of going all the way toward power/ground.
The Gain-bandwidth product can be analyzed (specifically for this comparator).
Simply use balanced inputs, assign Vin(+) with ac=+.05, Vin(-) with ac=-0.5 and conduct .ac analysis.
Please feel free to comment in case you have better ideas.
Gain and bandwidth are generally in small-signal sense.
Using ".ac" command card to analyze these parameters is reasonable.
虽然比较器是大讯号操作,但它的小讯号增益与频宽与大讯号频宽还是有相当的关系!
SAR ADC的比较器的3dB带宽要大于采样频率的16倍。
主要还是看分辨速度吧,呵呵
1K is very slow !
申明:网友回复良莠不齐,仅供参考。如需专业解答,请学习本站推出的微波射频专业培训课程。
上一篇:ADC非线性过高
下一篇:SAR ADC比较器设计

