单位增益放大器震荡
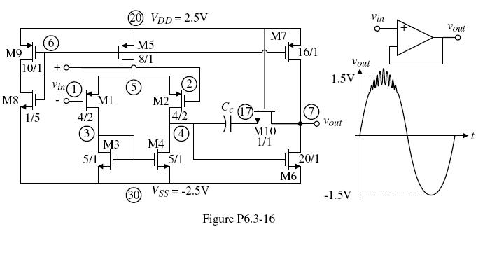
书上答案给出的解释是:当输出较高时,假设电容Cc高频短路,M10源极电压降低,这样M10所形成的电阻值Rz减小,而M6栅极电压也同样降低,使得M6电流减小,则其gm6也减小,这样,零点Z=-1/Cc(Rz-1/gm6)可能会移动右半平面,使得相位裕度变坏,这样放大器就会震荡.
但我觉得:Vout升高,M6中电流还是等于M7电流镜中复制过来的电流,几乎没有变化,这样M6栅极电压几乎不下降(下降很小),这样gm6和Rz并无明显变化,零点几乎不动,更不会移动到右半平面,那为何还会震荡呢?还有就是如果确实震荡,请问如何解决呢?
求高手!

应该是RZ变化的问题吧。影响了系统的稳定性。
这个调零电阻,不建议用mos电阻。改为poly可以
M6的gm可以下降的,你忘了沟调效应可以改变电流的大小。正因为M6栅压的下降,才使得输出为+1.5V。而且第二级,一般来讲增益比较小,这就是说M6的栅压已经有足够大的变化了,M6栅压的变化足够引起gm6的变化。同时引起Rz的变化
解决的话,我想可以采用楼上说的使用POLY电阻,而且零点的位置要足够防止这种情况。这样的话可能就不能用零点来补偿极点了,最好也不要补偿极点,免得增加零极点不完全匹配时的时域建立时间。 不知道解答的对不,请高手指点。
是因为输出高了,M10的电阻才变大了.
VGS=2.5-1.5=1V
如果用这种方式补偿,最好把M10和Cc换个位置。
谢谢先!
我觉得即便有沟道调制效应,那也是会改变电流值非常小的(输出1.5时,M7管肯定还是在饱和区,电流不会太大变化,或者说几乎没有变化),所以gm6肯定不会有什么变化的。
这个电路我没有仿真过,我仿真的另一个电路,在输出电压变化差不多这么大时,流片出来就是有峰值震荡的这种现象的,但是此时仿真的gm6值几乎就是没有变化的。继续请教,谢谢!
实际中用的是n-act电阻,没有用mos管。流片出来就是震荡的
你好,我觉得vgs好像是算栅极电压vdd减去点(17)的电压,而在高频时点(4)和点(17)是短路的,所以vgs应该就是vdd-v(4)的电压的啊,书上解释就是v4的电压可能下降,这样vgs变大,根据公式Rz=1/(k*W/L(Vgs-vth))电阻减小的啊。你要是认为输出是源极,那么漏极就是点(17),M10的vds就为负值,此时M10管可能断开,而不能认定为是电阻的啊!
不知有没有理解错你的意思,还再请教,谢谢!
我再说一下我的看法,首先看m6的vod,当输出为-1.5时,m6的输入为正,vod最大,小于-1.5-(-2.5)=1v。再来看当输出为1.5v时,第二级的增益大约为几十吧,也就是说在m6的输入端小信号大约为-50mv,这样来看,m6的vod要变小1/10左右。再就是作为电阻的mos,可能会由于电容的短路和m6输入电压的下降使电阻下降的。可能就会出现震荡了。 对于你说的使用n-act电阻,会不会是因为电阻的失准引起的。这种电阻本来就不大准吧。
M10断开,你的Cc补偿路径就被断开,米勒补偿就没有了。正是因为输出电压的变化导致了M10本身阻抗的剧烈变化,所以会震荡。
而且(4)和(17)的DC电位不会相等。
同意,假设某个频率点以后(4)和点(17)是短路的,并且输出7为高时,那么M10的源极只能是17,也就是说此时M10的等效电阻变小,GM6认为不变,则零点有可能跳到右半平面,故容易自激
谢谢您的一直关注!
我是按照你认为的vout作为M10的源极而得出的M10会断开的结论的啊。
我觉得考虑M10作为一个电阻,应该是在高频的吧,考虑它的直流好像没有太大意义啊,何况我觉得直流时,这个M10的漏源电压好像是相等的,即没有电流流过M10的。而在高频时应该是将点(17)看做源极的啊!
呵呵,可能对你的意思理解得还是不太清楚,请继续赐教啊!谢谢谢谢!
谢谢!
不太明白你的意思,你说的是不是点(17)开始电压是高于点(4)的,而后随着短路的到来点(17)等于点(4)的电压,所以vgs变大,Rz变小的么?
流片出来的那块芯片有峰值震荡的这种相同现象,但是当中用的是nact电阻,不是M10这种晶体管,难道nact电阻也有这种随频率变化而剧烈变化的这种现象么?不知道这是什么原因啊
谢谢!
我做过仿真,gm6确实几乎没有变化的,M6的vgs也确实几乎不变的。可能确实是晶体管M10电阻值的下降吧,但我用的nact的电阻,变化难道也会这么大么,以致使零点移到了右半平面啊?
谢谢各位
道理真是越辩越明,我发现自己又学到了不少,再次感谢各位高手的帮忙!
还请大家继续不吝赐教!
还有就是如何解决这个震荡的问题呢?
你考虑频率响应,难道不是在一个DC工作点附近来考虑吗? 在发生震荡的工作点(Vout=1.5V)做一下AC分析,看看你的相位裕度,然后看看各点电位。
既然你也认为,任何直流工作点下M10的VS=VD,那么当你输出高的时候,M10就关掉了。
你做AC分析时,扫描Vout了吗?
这时候看M10的电阻等效应该看TRAN而不是DC,个人举得更好的方法是偏置个传输门电阻,而且利于抵消各类漂移
Totally agree with you
The Tran. analysis is much closer to real case.
To
我觉得这个办法可以试试,M10的电阻随着你的输出信号变化确是可能会有很大的range,你可以试试不同输出条件下的AC特性,看看是否有零点的移动现象?
15# maplefire
非常谢谢,一直没来看这个帖子,不好意思。
我先前的理解可能错了,还在继续理解中。
我在震荡的工作点做了一下仿真的,相位裕度是够的。
对你的“任何直流工作点下M10的VS=VD,那么当你输出高的时候,M10就关掉了。
”这句话还是不太理解,为什么输出高的时候,M10就关掉了呢?能否再解释一下呢?还有你认为哪端是源端,哪端是漏端呢?
如何在做AC分析时,扫描Vout呢?不知如何操作啊,请赐教!谢谢
18# chudong
好的,我会试试的,谢谢!
小编,这么久了,结论呢?找到原因了吗?
申明:网友回复良莠不齐,仅供参考。如需专业解答,请学习本站推出的微波射频专业培训课程。
上一篇:菜鸟问个 hspice 问题。我查过了,网上没有详解。新帮忙。
下一篇:delta-sigma ADC为什么要让积分器的输出在量化器的输出范围之内啊?

