关于dcdc建模的疑惑(Ridley论文)
录入:edatop.com 阅读:
在Ridley建模的论文中,有一个推导如图片所示

对于buck,很明显S1=(Vin-Vout)/L
但是在论文和书上的建模中S1=Vac/L
请问这个S1表达式是怎么来的啊?
谢谢
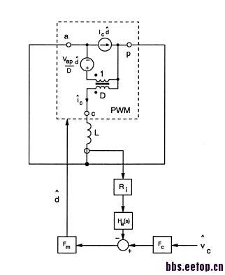
2)从ridley论文上建模,架构可以等效为下图

3)只考虑占空比做小信号,等效为下面的ac模型

请问一下,如何从平均模型中推导出S1=Vac/L ?

对于buck,很明显S1=(Vin-Vout)/L
但是在论文和书上的建模中S1=Vac/L
请问这个S1表达式是怎么来的啊?
谢谢
c是指SW点的平均值。所以个您说的没有矛盾啊
能详细说说吗?
瞬态下电感电流斜率是di/dt=(Vin-Vout)/L,没有问题。但这个表达式是不连续的,还有一半时间是整流管导通,这样是没法进行AC分析的。
所以需要给开关级建立个模型,把它变成一个占空比控制、连续的电流源,而S1就是这个电流源的控制系数,它取决于输入输出电压之差和电感值。于是就有了S1=Vac/L。Vac就是输出输出电压差。
您好:有以下问题需要和您讨论一下:
1. 从文献的角度来看,S1和Vac应该是大信号量而不是小信号量,所以我觉得推导不应该用小信号(ac)来分析
2. “S1就是这个电流源的控制系数,它取决于输入输出电压之差和电感值。于是就有了S1=Vac/L。Vac就是输出输出电压差” ,具体来说,应该怎么推导呢 (这个困扰了我很久)
1)连续模式开关模型可以等效为下图
2)从ridley论文上建模,架构可以等效为下图

3)只考虑占空比做小信号,等效为下面的ac模型

请问一下,如何从平均模型中推导出S1=Vac/L ?
木有人知道吗?
从平均值来看,Vac就等于Vin-Vout。Va=Vin,在d时,Vc=Vin,d‘时,Vc=0,所以一个周期里,Vc=dVin=Vout,所以Vac=Vin-Vout
感谢哈
申明:网友回复良莠不齐,仅供参考。如需专业解答,请学习本站推出的微波射频专业培训课程。
上一篇:ocean脚本求助,谢谢。
下一篇:LDO的输出端接一电流源是做什么用呢?

