Tow thomas filter 設計問題
录入:edatop.com 阅读:
版上各位大大
想請教一下
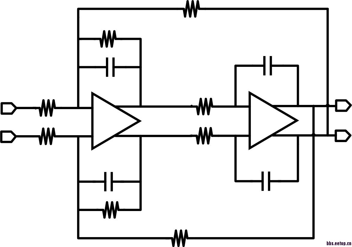
小弟目前在做 二階 fully diff. Tow Thomas filter 設計
電阻部分改用PMOS來做可調頻寬、Q值、增益。
目前萃完寄生效應後,控制Gain(input 進去那兩顆)去調整其電壓反而變得無法控制(就是去掃電壓,但增益都沒變)
且頻寬跟一開始prsim掉很多,想請教大大主要是什麼問題,要怎麼改善
目前在想是不是漏電流問題...
p.s 想順便問一下,如果要做LPF板上會較推薦哪一種架構,Tow Thomas 架構好用嗎?
謝謝
想請教一下
小弟目前在做 二階 fully diff. Tow Thomas filter 設計
電阻部分改用PMOS來做可調頻寬、Q值、增益。
目前萃完寄生效應後,控制Gain(input 進去那兩顆)去調整其電壓反而變得無法控制(就是去掃電壓,但增益都沒變)
且頻寬跟一開始prsim掉很多,想請教大大主要是什麼問題,要怎麼改善
目前在想是不是漏電流問題...
p.s 想順便問一下,如果要做LPF板上會較推薦哪一種架構,Tow Thomas 架構好用嗎?
謝謝
你的电阻改变如你的预期吗?pex后各种寄生电容是多少?
申明:网友回复良莠不齐,仅供参考。如需专业解答,请学习本站推出的微波射频专业培训课程。

