格雷书上有关PSSR的计算
录入:edatop.com 阅读:
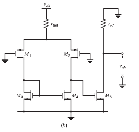
如题,格雷书6.3.6节中图6.18(b)计算PSSR时,用到了一个等效。


这个等效是怎么做的?一直没看懂,有没有前辈能点拨一下,不胜感激!


这个等效是怎么做的?一直没看懂,有没有前辈能点拨一下,不胜感激!
等效前

等效后

你第二张图画错了
CMRR=∞时看成是共模信号,vgs=-vsg两个输入端接在一起,都是-vdd,即把vdd 等效到输入端
输入输出短接!
Hi LZ:
I suppose you've made a misstake, both (a) and (b) in the above picture are equivalent, not (b) is the equivalent of (a) as you supposed.
As Gray said, there are two sources of PSRR+, one is from VDD connected with rtail and another is from VDD connected with ro7.
According to superposition priciple, we can calculate each one respectively, and then add them up, and the sum is the total PSRR+.
That's my opinion, welcome to recorrect...申明:网友回复良莠不齐,仅供参考。如需专业解答,请学习本站推出的微波射频专业培训课程。
上一篇:射频开关的仿真
下一篇:ADC的SNR计算方法

