反馈类型判断
录入:edatop.com 阅读:
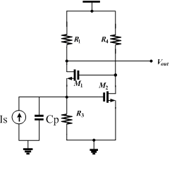
如题、、、
电压电流负反馈
电流-电压
电流电压...表示反馈类型一直判断的不太好...同学习~
我倒觉得是电流-电流负反馈
用英文表达比较好 不然到头来其实说得是一样的
根据Razavi教材的定义,为电流-电流负反馈(Current-Current)根据Gray教程的定义,为并联-串联负反馈(Shunt-Series)
申明:网友回复良莠不齐,仅供参考。如需专业解答,请学习本站推出的微波射频专业培训课程。
上一篇:版图用冒号连接,Assura验证时要怎么设置
下一篇:Assura设置

