How to realize the Direct Dicision Mode of the DFE equalizer?
录入:edatop.com 阅读:
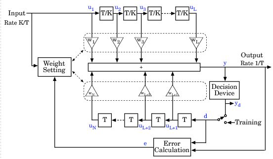
for the training mode, my model works well. When transfer to the Direct Decision Mode, I am confused about how to realize the Decision Device , specifically , I do not know how to choose the right reference value for decision. Channel is based on the single mode fiber with OOK modulation. Anybody has related experience please give me some kind of suggestion. Thanks in advance. Alternatively, we can discuss this together.
anybody can give me kind of suggestion? thanks in advance
anybody can give me some kind of suggestion?
这个涉及到通信算法,换到通信板块吧
OK thanks a lot . i would try ...
看起来好高深啊
申明:网友回复良莠不齐,仅供参考。如需专业解答,请学习本站推出的微波射频专业培训课程。
上一篇:PEX后仿报错,内存不足
下一篇:adc 瞬态仿真结果保存的问题

