此电路是否能将负电压转为正电压?
录入:edatop.com 阅读:

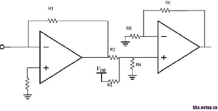
电路描述:第一级运法输入接一个电流源 起将电流转为电压作用但是一个负电压,第二级运放是一个同相加法器 第一级输出的负电压通过与电源电压相加转为正电压 请问这样行么?运放单电源5v供电
没有负电源不行
不能。如果运放工作正常,不管输入电压多负和怎么变化,第一级运放的反相输入端都是虚地(外接电流源是吸电流),R4上端的电压始终为固定值(VDD/(R3+(R1+R2)//R4)),第二级输出必然也是固定不变的,你的第一级等于对输入起到了屏蔽作用,这个电路设计有问题吧
谢谢分享
运放的虚短 虚断
不能要虚短
申明:网友回复良莠不齐,仅供参考。如需专业解答,请学习本站推出的微波射频专业培训课程。
上一篇:IEEE fellow吴重雨
下一篇:MOS管宽长由哪些因素确定

