开关电容电路的z域模型
录入:edatop.com 阅读:
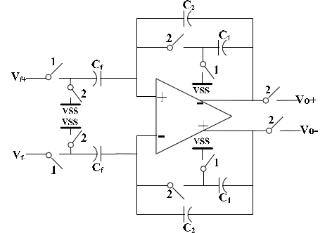
那位大神,能帮忙解释一下,该电路的z域模型(等效电路),感激不尽!
飘过~
zhege请参看Allen的教科书!
你仿一下,就会有感觉的
学习学习
仿一下才有感觉
申明:网友回复良莠不齐,仅供参考。如需专业解答,请学习本站推出的微波射频专业培训课程。
上一篇:calibre pex output
下一篇:运放 输出直流电压 有什么要求没得呢?(流水线ADC中的一个运放)

