共模反馈 误差放大器
录入:edatop.com 阅读:
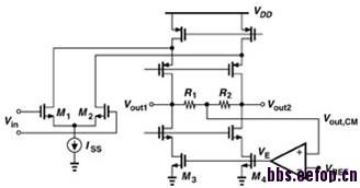
这是拉扎维模拟cmos上P262的一个关于反馈的电路图,习题9.12里面有个问题是这样的,误差放大器的输入级用PMOS器件还是NMOS器件。请问有人可以帮忙解答下吗?虽然答案是说Vout,cm可以认为是VDD/2,VGS3,4比较低(约为0.7~0.8V),所以需要PMOS器件来拉低电压。但是不是很理解,大家也可以讨论讨论

不好意思,刚才传的图好像有问题,希望这次可以传成功!
因为题中已经提到了用电流镜做负载的 放大器, 其实就是最基本的差动对,
PMOS 差动对输出的电压比较低,满足驱动M3 M4的要求
NMOS 差动对输出电压高,不满足要求,
如图所示
差分对的输出

但是你看下哈,左图是NMOS输入,VOUT的范围是[VIN-Vthn,VDD-VOV3],大小约为[0.8~2.5];右图是PMOS输入,VOUT的范围是[Vov3,VDD+|Vthp|],大小约为[0.2~3.8]。这样看来,其实NMOS输入的也可以满足要求啊。不知道我推得对不对,你帮忙再看下,谢谢
太细节的计算我也搞不懂了, 直观的分析:
输入电压是1/2 VDD, 我们希望运放工作的完全对称吧,也就是在理想情况下, 正负端电压相等,
你分析下如果正负端电压相等, 哪个运放的输出更满足驱动M3 M4的要求
申明:网友回复良莠不齐,仅供参考。如需专业解答,请学习本站推出的微波射频专业培训课程。

