DC/DC请教
录入:edatop.com 阅读:
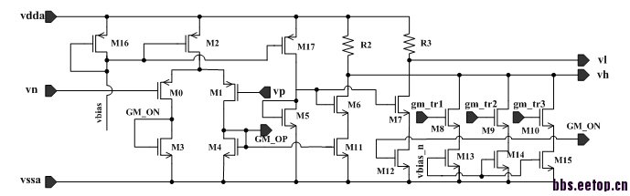
请问1)DC/DC的跨导与输出电压比较电路具体有什么用?怎么体现这个电路模块的优越性
图中GM_OP和GM_ON分别代表什么信号?
图中GM_OP和GM_ON分别代表什么信号?
申明:网友回复良莠不齐,仅供参考。如需专业解答,请学习本站推出的微波射频专业培训课程。
上一篇:如图的单端放大器如何分析
下一篇:求助D触发器上电的输出初态

