DC/DC的求助
录入:edatop.com 阅读:
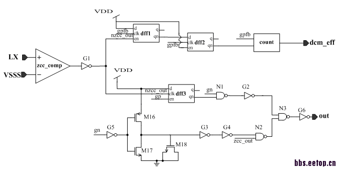
图中的gpfb是什么信号?从哪里传送过来?

Hi yj530966074:
Does it have any circuit?
you can trace ?
mpig
我只知道gpfb是反馈信号,其他的不知道
是pmos gate 的控制的反馈信号。你这个轻载用的是PFM模式啊?
正解。
申明:网友回复良莠不齐,仅供参考。如需专业解答,请学习本站推出的微波射频专业培训课程。

