复旦大学模电老师不懂戴维南诺顿等效的几率有多大?
但是,他在论坛上发的帖子,错误百出,连课本上的内容都不熟,经常搞错,而且都是低级错误!
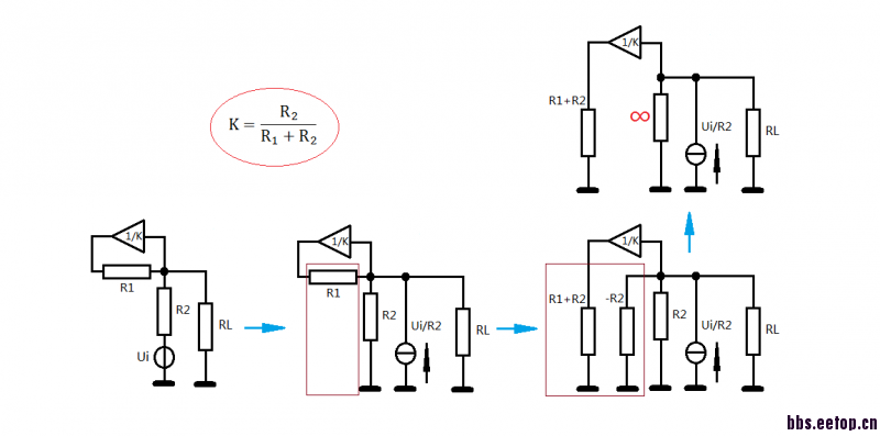
比如他给出的分压电路变换过程:

针对图片,人家给出得解释:
前面的两个变换非常明显,不作说明了,而后面的那个替代变换其实基于前面的那个戴维南等 效。
注意到电阻R1||R2两端的电压一致,而且R1||R2非零,那么其电流必然为零。
采用零电流输出 的电流源替代等效,就得到了后面所谓的“无穷大电阻”(零电流输出的电流源等效于开路——即无 穷大电阻)。
略微有点电路基础得人都知道第3/4图不是替代等效得关系!
类似的例子很多,不说了。
感觉这个人是冒充复旦大学老师的,复旦大学也不可能有这样的老师,如果是,那就太让人瞠目结舌了!
原帖呢?
原帖呢?没有事实依据,你就是造谣者。发帖慎重!请多讨论学术和技术问题。
zwtang
2014/10/26
此人平常说话就是高高在上的,你要真对其言论有疑问,他就说你没上过学,没读过书,看不懂得回炉之类的。
所以原贴只是给个图,下面的文字说明还是再三追问才说的!
图+文字=信息很完整了,能说这么多已经很难得了!

上图是对红框内部分应用米勒定理所得变换,大家看看能不能得到那个结果?
原贴就是如此,唯一的文字说明是看不懂说明没上过学!
看到楼猪的标题,着实吓了一跳,点进帖子内看了三遍,不知道楼猪在说些什么。
写类似的“学术战斗”文,对写作者要求很高。
1. 写作者必须非常严谨,最好能请同行看过。
2. 必须给出要反驳材料的出处(reference),而且在批驳过程中,最好尽可能的引用原文,而非转述,防止对读者的误导。
而楼猪连最基本的reference都没有给出,而他的指控又是如此严重,涉及我学校老师的名誉。我只能认为楼猪这种人在造谣。
泰然处之!开会,搞人际关系,报销,出差,评职称,处理毛刺学生。老师不容易的。
本贴真实性由本人负责!因为本人只是客观转述而已需要具体证明材料站内私信!论坛一般不允许提供其他论坛链接,否则有拉客嫌疑!
本贴只想讨论技术问题。
问题来源:
我提供了拉扎维的CMOS第6章那个米勒定理部分所提供的不适合使用米勒定理的例子,即分压电路。
但是这个老师非得使用,于是推出分压电路输出阻抗等于无穷大!
由于他坚持认为推导过程无误,于是说无穷大结果一定有物理意义!为了圆谎,有了下图:
网友质疑上面图中最后一行的最后一步,无法推出无穷大阻抗,于是这位老师给出了解释:
本楼昨天写了一些涉及人身攻击的话,删帖道歉!
你说的这些情况的确存在。但更多的老师,尤其是我国一流名校的青年老师,做科研是非常努力的。
我国的科研水平的进步也是非常大的。我觉得他们的整体来说是中国学术最优秀的一群人
别的论坛的事,你在别的论坛去解决;你把那个论坛的事,拿到EETOP 模拟版来讨论做什么?
并且做出”复旦大学模电老师不懂戴维南诺顿等效“的结论,涉及对我校老师名誉的指控,太恶劣了吧。
你这种写法,会让人以为是EETOP上的复旦老师,好吗?
我说这位小编,你不要把话题撤么大行不行?本贴已经说明,只是针对图片推导过程讨论,对事不对人!
你翻老帐干嘛?
小编的面子都是网友碰起来的,不能一当小编就感觉自己很牛逼了,把普通网友糟蹋一下,很爽?
我给出的图片,除了隐起ID,没做任何修改,何来的造谣?
在我印象里,没得罪过阁下,请你说话客气点,谢谢!
阁下前途无良,这官腔打得,啧啧。
你明明指责的是21ic上网友,结果你不做任何说明,极易让人误解是本版的复旦老师,你这样的指责是非常不负责任的。
这是你在21ic上发的帖子对吗?http://bbs.21ic.com/icview-820654-1-1.html
因为你的指责涉及到了本版版友的名誉,也涉及到了本版帖子质量的讨论,更涉及到我学校的名誉。
结果搞了半天,你是在说别的论坛的事,却不做任何说明。那个论坛发生了什么,你在那个论坛解决。
EETOP是一个非常高水平的论坛,这里的版友很多是:一流名校学生,教授,以及业界工程师,资深工程师等。帖子质量是非常有保证的。你的轻浮,不负责任的误导是非常不恰当的,让我对你的学术道德深表怀疑。
注:xukun977即 xyn777 在 http://bbs.21ic.com/icview-820654-1-1.html
那事你个人理解出了毛病!
你怎么能看出我是针对本谈的复旦老师?
我觉的20几岁小伙子,读上名牌大学研究生,是光宗耀祖的光荣,但这不是说话霸气外露的力量来源,尤其是干上小编,更应该公平公正说话,因为你的发言代表站方官方人员?
本人在此不想吵架,对于刻意挖坟想嘲讽的,不做回应!只回应跟本贴主题相关的技术话题。
对于法律责任问题,需要的吱声,船票地址奉上。
为了回复你的这个误导,我花了2个小时去调查这件事情。
想学别人打笔仗就要严谨一点好吗?你好歹是个硕士,也算受过完整学术训练的人,怎么说话发帖这么轻浮和不负责任。
真是造谣一张嘴,辟谣跑断腿。
什么叫轻浮?我勾引过你活家人了吗?
因为你是复旦的,就想护短!拼命刨坟攻击我!
阁下不要遗憾了,本人除了考试时会带答案进考场,从不在学术上弄虚作假!
如果本人在任何论坛上,有关技术的问题说错了,麻烦指出,我知错就改!
跟技术无关的攻击,请小编你闭嘴!
谢谢?
q
你不要张口闭口一句一个造谣,本贴文字文字部分我已贴图证明,哪句是我伪造的?
说话要有根据,你好歹是复旦药酒生是不是!
不逛了,看书!
g
这算什么啊,新语丝年度学术付白排行榜,你们学校前三名!
今年肿几位查出你们学校经费有问题,腾讯新闻都报道了。
这,才叫恶劣!
小编你这个例子里确实得不到最后一步。
但你的帽子扣得也太大了,被人批判是自找的。
你没仔细看帖!
关于帽子,本贴中所说的那位老师,混迹论坛已13年有余,所以大家都熟悉,来历也广泛流传!
本帖中所说事实,如他所在学校是哪,可以和知名公司高级工程师无障碍交流等,都是他在论坛上自己说的!
本贴中所说他连教科书上许多东西(如巴克豪森判据,blackman公式,返回比计算T等),都弄错!
这些,都可以提供截图来证明!想看原贴也行!
所以,本人没给谁戴帽子,倒是这位shork小编,像个道德模范君子,给我扣了诸如轻浮,没有道德等帽子!目的是保护学校,但作为小编,有公器私用嫌疑!
关于他搜到的我说某模电书中有许多错误,如实验电容极性搞反,说带隙只有负没有正反馈等,在今年新版中,都做了校正!所以这位小编翻这些老帐,不但不能证明我学术道德上有问题,反而我有功!免费给新书做勘误表不是功劳么?
也拜托百度一下何谓"造谣"?!再给我扣造谣帽子!还说我应该提供reference,你以为发帖是写paper啊?开始还得写abstract,最后来个conclusion?学多学傻了!
况且,我在顶楼已说,这位老师可能是冒充复旦的老师的,虽然以个人名义在网上鬼扯是个人自由,但对学校多少有影响!所以你们想维护学校名声,应该找到21论坛上这位号称是复旦的老师,查证是否是冒充!如果确实是你们学校的,应该对其施加学术,不要砸学校牌子!
所以这里的小编对我狂虹烂炸是没有用的,我只要看到那位老师把教科书中东西弄错,甚至是故意弄错,我就发类似于本贴名字的帖子!
其实哪里都有厉害的老师,也有混的老师,清华有北大有,不要用个例来说整体么
我是来看口水的
说实话模电用用电分不算多 扣这些难为复旦老师了
小编为自己学校老师说话还算可以理解 不过用词都是像我party搞证志一样多多逼人
他以前还为华为说话呢 我国教育成功洗脑的悲哀洗 为了反对而反对
等进了华为被那里的文化压抑下锋芒错下 就不会那么血气方刚了
另外模拟也不值得你这么努力深究细节 现在东南复旦出来不过也就进我们公司 今年如果差过13年的话估计一半要专业 好的才能进华为
进来就是看评论的,原来复旦也有人渣老师,呵呵
1,小编贴子本身非学术或技术问题。
2,小编论及之事为其他论坛事务,发在本坛本版用意不明。
3,小编所提之人是不是“复旦老师”都没确证过,就此进行公开批评,影响相关人员与学校的声誉。
以上,建议小编删除此帖。
ps. 若最终证实此人只是冒充“复旦老师”,小编准备如何表示?是否会就所造成的不良影响道歉?还是拍拍屁股走人?
你们哪家公司?Verisilicon?Marvell?还是MPS?
看看那先
申明:网友回复良莠不齐,仅供参考。如需专业解答,请学习本站推出的微波射频专业培训课程。
上一篇:带gainboost的运放出现doublet
下一篇:Cadence大神请进

