看看这个电路
这样的差分怎么分析啊输出是1.8V的电压
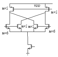
交叉的是负阻,差分对实际有效m=4
交叉耦合,电流抵消,相当于负电阻
好的,谢谢
谢谢按照你答案,我不明白,后来我仔细看了拉扎维的书,理解了
谢谢我理解了
我的理解,请指正一下:之前见过交叉耦合的管子与二极管连接的管子并联作为负载,这样做的作用可以减小跨导,提高输出阻抗;但是小编的贴的图中的电路是交叉耦合的管子作为输入管,这样虽然也可以提高输出阻抗,但是减小了整个输入级的跨导Gm,用作运放时,对运放增益的提高不明显,请问它的优点什么呢?
这个电路输出阻抗没有增大,gm减小了 我看不知道该电路有什么优点,可以问问小编电路是干什么的
我有个疑惑这样做的有点事什么?(与管子M=4的相比)
我没看出优点啊,你这电路做什么用的
电压跟随器的第一级。
好处是?
电压跟随器的第一级。
完整电路输出是个恒定电压



怎么搞的总是看不到图啊
请问这在课本哪一张
这图蹊跷

这个可能是降低第一级的增益,从而增大相位裕度,增强稳定性。第一级增益太高的话,米勒补偿一般补偿的不是很有效,很容易相位裕度不达标!
降增益用m=4就可以了啊,为什么用这种结构?大家讨论补充
在仿真结果上,你这个电路有什么特点!带宽?相位裕度等等参数?
如果将M=2和M=4理解为两个运放输入级的话,就是两个极性相反的运放;电容和电阻引入正反馈,整体上又是负反馈,不太理解,是为了启动时不要自锁吗?请问,这个是提供很定电压还是小信号跟踪?
输出电压是1.8V
电路参数,比如带宽,增益等参数?有没有仿真结果?
为什么?
没看出优点,坐等高手
楼上没有一个人回答对了这个问题...
考虑大信号吧,你就知道这个是干嘛用的了
申明:网友回复良莠不齐,仅供参考。如需专业解答,请学习本站推出的微波射频专业培训课程。

