关于共模反馈的一点疑问
看拉扎维里德共模反馈要吗用电阻,要吗用电容,求高人指点。谢谢

先说说你的图的来源
有优点也有缺点
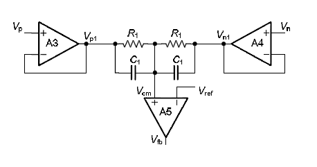
用了buffer提取共模信号,所以输出增益肯定不会受到影响了,不过这两个buffer也带来了功耗的增加,同时由于构成buffer的运放自身也有极点,所以可能会引起一些稳定性的问题,至于并联在电阻上电容,应该是用于做一定频率补偿的,主要还是靠电阻来求出共模电平。一些直接浅显的观点,希望能抛砖引玉。
在唐长文老师,A Fully Differential Charge Pump with Accurate Current Matching
and Rail-to-Rail Common-Mode Feedback Circuit论文里看到的结构。
谢谢您的回复,能具体解释一下吗?谢谢
谢谢您的回复,在一篇论文中看到如下的解释,没明白什么意思,请高人指点。附图。
The common-mode signal detector is formed with two 40k resistors in parallel with 1-pF capacitors. The purpose of the
latter elements is to provide a high-frequency bypass of the distributed capacitance between the n-well resistors and the substrate to maintain stability of the common-mode feedback loop.

这个说法基本OK。
实际中真正这样用buffer的不多,这就是个示意图。
电容是用来补偿CFMB环路相位裕度的,它可以与电阻产生一个零点,有助于稳定。这个电容一般比较小,100~200fF吧!
你可以仿真看看,就能够看到这个电容的作用。
对于这个电路我是这么理解的:M3A和M3B就是充当最初你贴的那张图里的A3和A4这两个运放的作用,至于MCA和MCB是用作补偿电阻,你可以直接把这两个三级管看成两电阻,它们和串联的电容构成补偿电路,改善频率特性,也就是常说的密勒补偿,之所以要这么做,是由于你加入了M3A和M3B后,相当于以前的运放变成了两级,会引入新的极点,不补偿的话,这个极点会和主极点靠得很近,引起系统的不稳定。
至于你引用的那段话,大概意思就是:共模电平由那两个电阻求出,并联个电容是为了提供一个高频旁路,直白点说就是提高共模反馈系统的稳定性。
希望自己没说错什么啊,还希望大侠们能给出更系统的意见。
see above
嗯,有道理,确实和小编第一张图不同,没有buffer,而是直接从输出引出来的
聆听各位老师教诲。
为什么要并联电容呢?是为了在高频时仍然可以得到一个共模反馈。
这个。再想想。
这个。再想想。
也来说说个人看法
对于共模信号,即VP=VN且同时升高或减低的情况,这两个电容等同于不存在,无需充放电,因此这两个电容不会影响共模信号的响应速度和带宽。
对于差模信号,当VP上升 △V , VN下降△V , 由于两个放大器的带宽和输出点的摆率不同,在这个一边上升一边下降过程中,不能总是维持差模信号,会出现一个共模的扰动。这两个电容就是通过对差模信号的滤波,来减少这个共模扰动
学习了!
我对此也不明白,在sansen的书中说会引入一个零点,但是这个零点如何推导出来?而且我的仿真结果表明这个电容的影响很小,求解
对你的观点非常感兴趣啊,不过里面有几点我不理解,为什么差模输入信号会改变运放的带宽和输出点的摆率呢?并且这样为什么就会引入共模干扰呢?能详细解释下吗?
有个疑问,请大家指教。
小编最初的那张示意图里为什么要加共模反馈呢?Vp1和Vn1的直流点是确定的呀。
第一张图就是一个共模反馈的电路,是用这个电路来控制一个全差分运放(在第一张图中并没有画出)
哦,理解了,谢谢。
聆听各位老师教诲。
基本就是这个解释吧~
恩,我感觉也是,电容是为了保证高频特性,引入一个零点,A5的输入端有寄生电容,在高频时电路也能够正常工作。
学习了
有优点也有缺点
申明:网友回复良莠不齐,仅供参考。如需专业解答,请学习本站推出的微波射频专业培训课程。
上一篇:KP 迁移率U0 ,Cox,BSIM3v3模型
下一篇:tsmc55n做calibreview的后仿,有short error

