AB类输出问题?

共源类AB输出如果工作在饱和区的话,如何使得他的增益降低呢
?
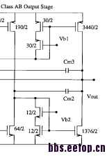
你p管输入的负载,靠得是N管和N管偏置部分的负载吧?N输入部分拓扑结构没给出,不过应该是类似的。
一般都是减小输入级电流,比如I2,增大输出级电流,如此就可以减小64/4管子的尺寸,减小190/2的尺寸。这里减小输入管子尺寸会造成输入跨导下降(增益下降),减小64/4的管子(使该管子的漏电压升起来,使得漏极偏置的并联部分的管子加强,分流部分电流增大,该部分小信号阻抗减小较多),输出阻抗有64/4管子的ro和并联部分阻抗构成,虽然64/4管子阻抗略有增加,但是主要有并联部分阻抗决定起主要作用,因此总输出阻抗减小。这样子输入跨导降低,输出阻抗降低,总增益下降。可以试试看,最好能贴出全图,你这运放就没有给全。
谢谢,这个运放只是我举的一个例子,我只是想问下,这种AB类输出时,其工作点处,输出的N管和P管都是在饱和区的,是么?如果是在饱和区,为使得输出阻抗降低,必须有很大的静态电流,在保证带宽的情况下,只能增大过驱动电压,而不能增大尺寸。可以先不考虑输出摆幅。是这样的吗?

1、是的,输出级两个管子都在饱和区,且静态电流很大,因为它的输入跨导相当于是n和p管的并联。 2、另外,增加管子尺寸,静态电流必然变大,静态电流大了,带宽自然就大。你要是不想动输出管子的尺寸,又想要大的带宽的话,那确实只能想办法调整这两个管子的静态偏置点,即改变其过驱动电压增加静态电流,进而增大带宽了。
3、一般这种结构都是为了满足大的电流抽取或者吸取能力的,输出级的管子是功率管。classAB为功率运放。即,提供电流供给的能力有输出功率管子的尺寸决定,而和您静态功耗没有直接关系。至于仅作为一个电压放大器的用途的话,我觉得classAB架构还不如最常见的二级运放来得有意义。
当然,你运放要是即提供后续电压产生,又提供大的电流供给能力的话,那这种结构还是很是比较说得通的。我的意思是,您为什么要用该架构的运放?要用在哪里?
恩,谢谢你详细的解答。我这个运放主要是为了提供大的驱动电流的。同时要保证带宽。 一般说这种class AB的输出级不提供增益是指其接成闭环后,输出阻抗变的很低而导致该级的增益很小的吗?
负载电阻小,所以增益自然小;为了驱动小负载,需要大电流,才用class AB。
申明:网友回复良莠不齐,仅供参考。如需专业解答,请学习本站推出的微波射频专业培训课程。

