比较器PSRR问题求助
录入:edatop.com 阅读:

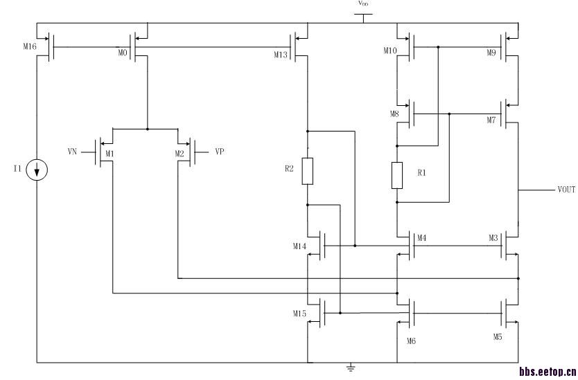
各位,以上是我仿的比较器原理图,在仿真过程中,开环增益约92dB,具体见下图

但是仿真的PSRR则有点惨不忍睹,具体见下图

不知道问题出在哪里,想请教一下各位
输入对p管的substrate是接的vdd还是source?
查看工作点,各管是不是都在饱和区,过驱动电压是否足够。
接的VDD
M15一直在线性区
接source试试。你接vdd,vdd上的noise直接通过gmb进到你的电路里了
偏置电流多大,R多少,这个要设定好,不然会不饱和
那你M5和M6在饱和区吗?M9和M10也都在饱和区吗? 如果不在,电流复制的时候就不准确,会产生大的offset。
所以先把m15调到饱和区把。
恩,我的M15没饱和,我先把它调饱和再说,谢谢
申明:网友回复良莠不齐,仅供参考。如需专业解答,请学习本站推出的微波射频专业培训课程。
上一篇:劝研一学微电子的千万别选模拟射频方向!
下一篇:DLL波形问题

