差分输入比较器PSRR仿真问题求教
录入:edatop.com 阅读:
做了个普通的差分输入单端输出比较器,想仿PSRR,只知道在电源端叠加一个交流小信号,但是仿出来的只有20dB左右,那么两个输入端加什么信号呢?真心求教!
输入只接直流偏置就可以,交流信号短路到地。 不知道你的比较器结构,如果是用PMOS镜像电流镜负载的1-stage OTA,单级的增益大约40dB,正电源增益为1,大概是有40dB左右的PSRR的, 对于负电源,其到输出的增益大约为gmp/2gmn, 用差分小信号增益gmp*rop/4除以这个值大约为gmn*rop/2,大约34dB。 如果采用的不是镜像电流镜负载,那么PSRR会降低很多,因为电源到输出的增益变成了一个共栅及的增益,基本与共源级增益相当,只是非反向。
不知道你的比较器的具体结构,只是从运放角度谈一下。
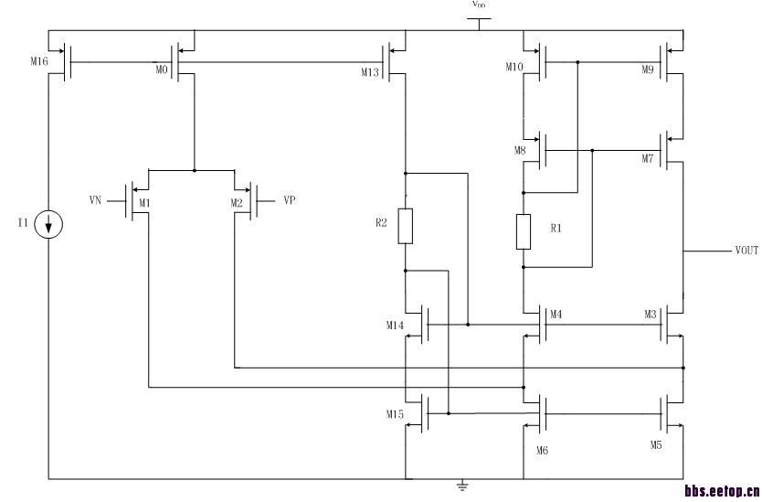
我使用的折叠式共源共栅结构,多谢您的指导。
贴个图出来看看?

比较器电路比较简单
D除法器有限制吗
可以学习
继续跟进
多谢啦
thanks very much
跟随啊
赶紧的
psrr小一般是增益太小了
申明:网友回复良莠不齐,仅供参考。如需专业解答,请学习本站推出的微波射频专业培训课程。

