请问如何调整差分输入摆幅
录入:edatop.com 阅读:
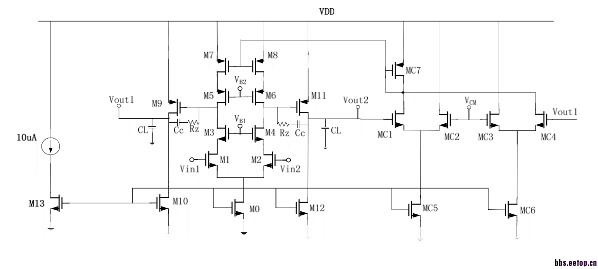
综合课程设计做的是一个全差分两级运放电路,要求差分输出摆幅大于2.2V,但我这测出来是这样的,请大家指点下是什么问题呀。十分感谢

上面这是电路图,下面是差分输出摆幅的测量图。

上面这是电路图,下面是差分输出摆幅的测量图。
vdd多少?
Vdsat(MC5)+VGS(MC1)<Vout2<Vdd-VGS(MC7)+Vth(MC1)
Vdsat(MC6)+VGS(MC4)<Vout1<Vdd-VGS(MC7)+Vth(MC4)
查查操作点以上提及的几个值。
共模反馈都没看到
vdd是3.3v
申明:网友回复良莠不齐,仅供参考。如需专业解答,请学习本站推出的微波射频专业培训课程。

