首页 > 微波/射频 > RFIC设计学习交流 > 求classAB buffer的论文

求classAB buffer的论文

录入:edatop.com    阅读:


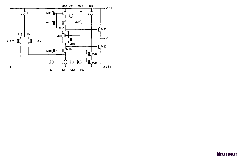
求该结构buffer的论文

申明:网友回复良莠不齐,仅供参考。如需专业解答,请学习本站推出的微波射频专业培训课程

上一篇:tanner v13问题?
下一篇:这个SC积分器的传递函数?

射频和天线工程师培训课程详情>>

  网站地图