请问VCM如何确定添加值啊?
录入:edatop.com 阅读:

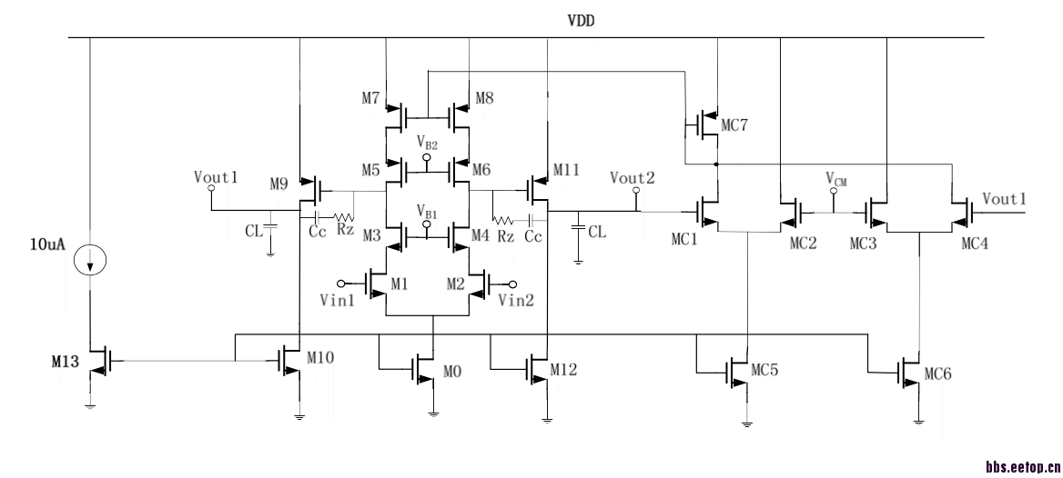
请问反馈端的VCM该如何确定啊?
这个值是你希望的输出的共模电平,这是共模反馈电路的目的。
那请问如果我想测量差分输出摆幅的话,该如何测量呀?
差分摆幅不是看vout2-vout1么?没明白你的意思。
输出摆幅用手推一下很容易得到
VCM是你检测到的共模输出,它要被送进一个控制电路去控制偏置进而稳定这个VCM,不是你需要“添加”的什么东西··
差模输出和共模输出都没搞清楚,拉神的书得回去好好看啊···
申明:网友回复良莠不齐,仅供参考。如需专业解答,请学习本站推出的微波射频专业培训课程。
上一篇:蒙特卡洛管子中的sigma是什么意思啊
下一篇:VerilogA教程里的VCO

