画版图时碰到的问题:45度走线和slot
录入:edatop.com 阅读:
1.画版图时看到了tsmc 18的工艺ZZ可以画出45度。是不是所有的工艺都可以?我现在用的是UMC18的工艺。

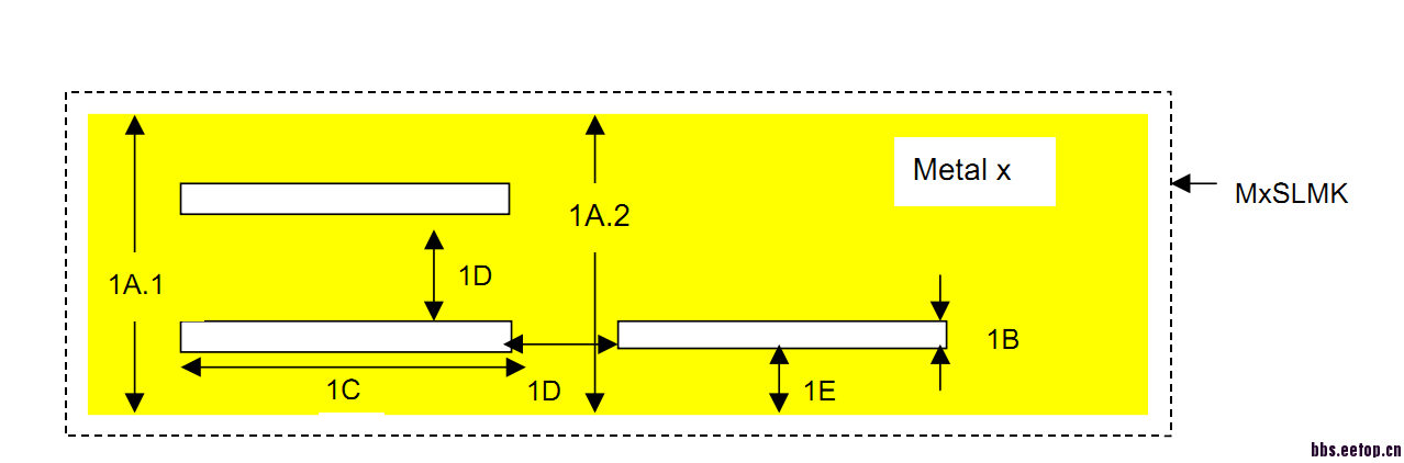
2.我的电源线比较长,比较宽,需要加slot。不知道怎么达到下图的效果。

2.我的电源线比较长,比较宽,需要加slot。不知道怎么达到下图的效果。
1.一般都能走45度,但是不能off grid
2.写skill脚本,或者手动打slot,shift+c,一个一个打,最好用一个东东先做好标记位置。
多谢小编的解答。解决了个大难题。
用tanner的表示可以直接做出slot array…
脚本怎么写?
根据你的需要可繁可简,不过木有现成的,还请论坛里的大牛帮帮你,呵呵。
能让机器来画版图,很厉害
申明:网友回复良莠不齐,仅供参考。如需专业解答,请学习本站推出的微波射频专业培训课程。
上一篇:求助:这个电路是否使用了负反馈?
下一篇:PLL输出相位噪声到抖动的转化

