dickson负压电荷泵的设计
5到-5,再4个2倍cp?
没做过,不太熟悉。坐等大神。
-8X的转换比,输入电流至少也要40mA了。这么大的电流,全集成的电容不太好实现的,需要外接电容。方法上是没有问题的,要选择合适的耐压器件以及合适的工艺,负压要认真考虑电路细节,防止latch-up。
我仿真了下原理图,采用gnd—肖特基二极管—电容—肖特基二极管—电容的dickson结构,要用好多级,最后的滤波电容约为100nF,负载1mA。发现,所用到的8、9个电容都要很大,几十nF到几百nF吧,这样输出才能降低到所要求的负压值。所以,这种结构是不是不适合做5到-40V的转换?
兄弟所说的-8X 也指的这种结构吗?
是不是要考虑用buck-boost结构,才能实现呢?困惑中,
为什么要用二极管?那样,导通压降太大了,你用的级数当然多了,效率也低。用MOS开关就可以了。
可以5V-10V-20V-40V->-40V. 像你这么大的负载全集成电容基本不可能实现的,目前而讲,全集成charge pump,集成电容在几百PF量级还是可以接受的,一般电流在10mA以下。
用二极管,主要考虑到栅压不够,工艺中最大的栅极耐压也就12V。你说的5-10-20-40,这种结构怎么实现啊,是通过MOS开关和两个电容实现吗,有没有参考的文章或者公司的产品,给小弟推荐下。还有,40V至-40V,我感觉这个也很难做,耐压要80V了,控制逻辑很难做。
我又查了下,maxim上有5到10,-10的芯片,先是5到10,然后10到-10
但是如果5到10,到20,再去反转到-20,或者-40,开关不好做,没有这么高栅极耐压的器件啊。
所以这种升压比很大的charge pump,开始就要确定工艺的。你的工艺最高才耐压12V的话,很大的精力都放在用低压器件实现高压耐压了。这方面你再查询下相关提高耐压的资料,看有无好的解决办法。
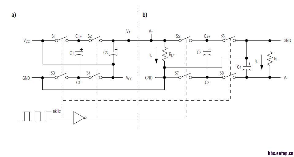
对于电路结构,可以全部2X的电路实现,就是1个传输电容实现倍压,每一级后面跟一个稳压电容。每一级都是两相非交叠时钟,各级不相互干扰。
根据你前面所讲,你目前最大的困难应该是耐压问题。
嗯,我再考虑考虑,如果不行,就用boost结构了
申明:网友回复良莠不齐,仅供参考。如需专业解答,请学习本站推出的微波射频专业培训课程。

