ring oscillator based ILFD
录入:edatop.com 阅读:
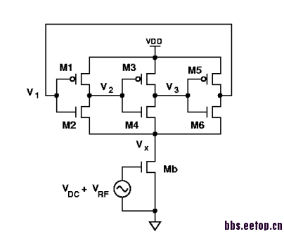
搭了一个很简单的环形振荡注入锁定分频器,如下图所示:

从原理分析,应该是3分频才对,但我得到的输出频率是RF的6分频的样子,不准确的6分频,还有一些相移。

从原理分析,应该是3分频才对,但我得到的输出频率是RF的6分频的样子,不准确的6分频,还有一些相移。
为什么理论上是3分频,小编能解释一下嘛?
Vx点在动,看看它的频率...
各位,我错了。
申明:网友回复良莠不齐,仅供参考。如需专业解答,请学习本站推出的微波射频专业培训课程。
上一篇:求助,关于电流镜
下一篇:请高手帮助,关于无线通信方面

