BJT电路结构请教
录入:edatop.com 阅读:
版上各位前辈你们好!小弟最近在研究一个BJT的设计,有些问题不太懂,特来请教:图1是DAC08系列的原理图的一部分:这个应该是电压到电流的转换。

图1
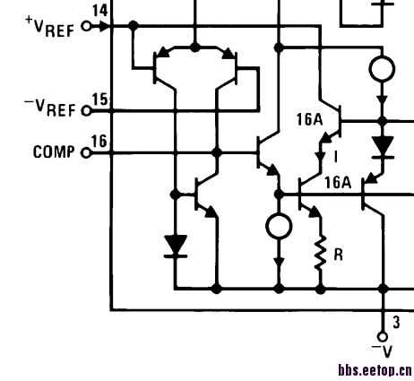
但是到晶体管级的原理图时,感觉有点看不懂了,如图2

有如下几个问题:
1.怎么没有看到运放的差动转单端的电流镜结构?
2.两个标有16A的晶体管是需要产生的电流源,这个电流源的大小是固定的还是跟(Vref+-Vref-)有关的?
3.最右边的电流源、二极管和pnp晶体管的作用是什么?β helper还是什么?
哎呀,都一个星期了,肿么没有人回复呢?自己顶一下!:'(
左下方的二极管不就是电流镜的一部分嘛
哦,对哦。那这个问题解决了。那这个第一级后面那一路就是一个源跟随器了。
可是最后一路由电流源,二极管和pnp晶体管组成的这一路,又是怎么起作用的呢?
ps:
在BJT工艺中,二极管和二极管连接的pnp管有什么区别吗?为什么有时候看到的是二极管连接的晶体管,有时候就直接是二极管呢?
申明:网友回复良莠不齐,仅供参考。如需专业解答,请学习本站推出的微波射频专业培训课程。
上一篇:仿真器仿真精度含义求助
下一篇:这个钳位电路怎么解

