与电源无关的电流偏置电路的零极点分析
录入:edatop.com 阅读:

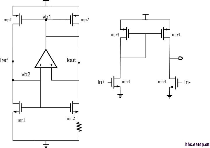
我在baker的书里发现一个上图所示的电路,razavi里也有这个电路,就是产生一路与电源无关的电流,图中启动电路未画出。为了消除短沟道下Iref和Iout之间的差别,图中使用了反馈环路,该运放结构如右图所示。现在有一个问题,baker说为了使环路稳定,需要在vb1和vb2两个节点处加入两个大电容。我有一个疑问,这个环路当中有几个极点和零点?为什么加两个电容(vb1用PMOS电容接到VDD,vb2用NMOS电容接到GND)可以使环路稳定?请坛中大神能给一个详细点的解答。万分感谢!
申明:网友回复良莠不齐,仅供参考。如需专业解答,请学习本站推出的微波射频专业培训课程。

