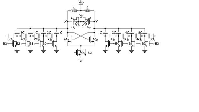
如何仿真电感Q~f ; Varactor电容的Q~V特性曲线?
由于VCO的需要,特请教
请教如何利用spice仿真出
1 电感的品质因数Q---frequency曲线
2 Varactor的品质因数Q---V(control voltage)曲线?
3 VARACTOR的C-V曲线

用换算的方式
EX Q=SL/R...etc
楼上的哥们,能否说的具体点,在下现在也要用到VCO的Varactor,想仿一下C-V&Q-f曲线。
顺便问一下,VCO的输出信号有很大的交流幅度,此交流信号加在变容管的栅或源漏上,使变容管的直流偏置电压叠加了一交流成分,从而使电容值发生了变化,f=1/(2*pi*sqr(LC))也发生变化,那岂不是振荡频率发生变化了吗?怎么会产生稳定的振荡频率呢
谢谢各位大侠了...
是啊 说具体点啊
也欢迎大侠们指点
你说的后面的问题 我觉得是这样的
它是阶跃C-V曲线
交流信号叠加以后也不至于跑到阶跃C-V的另一头去,这样就稳定了。
当然 工作点不好的话,就会出现你说的情况,这样phase nosie肯定下降
HELP THANKS
study
3q3q
push
电感的Q随频率的变化可采用ASITIC仿真得到。或者在spectre中仿真电感,再通过计算器计算得到。相应的计算公式需要查书。
变容管可AC或者S参数仿真,然后计算器得到。cadence帮助文档有相应的内容。
5# xwlpxc
谢谢了,在下再领会一下
http://www.eetop.cn/bbs/thread-220797-1-1.html
电感的Q=wL/R, 对电感做sp分析,计算z参数,Q=Z11(im)/Z11(re)
varactor的Q=1/wCR, 做sp分析,计算Z参数,Q=-Z11(im)/Z11(re)
varactor的c-v,sp或ac分析,计算输入阻抗1/wC,换算出C,同时扫描Vctrl
bucuo bucuo
很受教,不错
ddddddddddddddd
学习了!
呵呵,用TSMC的库吧,专门有这个功能
都是有经验的大侠,谢谢了,小弟刚开始做,受益匪浅
弱弱的问,啥叫SP 分析
thanks a lot
mark~
Varactor is nonlienar cap and varies with the amplitude (waveform) across it, and that is the reason for AM-FM conversion. For the oscillation frequency, the "averaging effective" capacitance, rather than the small signal capacitance, matters. You can apply a sine or square waveform at about the resonance frequency on the varactor and run PSS, then run PAC to get the effective capacitance. Typically, larger voltage amplitude results in smaller effective capacitance.
那请问仿真的电路是怎样连接的呢,本人比较水,请指点一下。
那请问仿真的电路是怎样连接的呢,本人比较水,请指点一下
那请问仿真的电路是怎样连接的呢,本人比较水,请指点一下
申明:网友回复良莠不齐,仅供参考。如需专业解答,请学习本站推出的微波射频专业培训课程。
上一篇:关于用MOS管取代二极管的问题
下一篇:varactor如何仿真看到C-V曲线?

