关于拉扎维模集书中带隙基准的问题
录入:edatop.com 阅读:
中文版习题11.2的启动电路,M6应该会增加额外的功耗吧,有没有更好的启动电路的例子?习题11.3,为什么图11.5中Vout接近2.5V?
可以参考一下这个启动电路
看不到……
为什么呢?截图竟然显示不了?
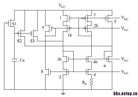
我再试试,用S1、S2、S3和Cs组成启动电路

申明:网友回复良莠不齐,仅供参考。如需专业解答,请学习本站推出的微波射频专业培训课程。

