Sigma delta调制器中比较器设计
录入:edatop.com 阅读:
设计Sigma delta调制器,比较器传输延迟是否要满足什么要求?
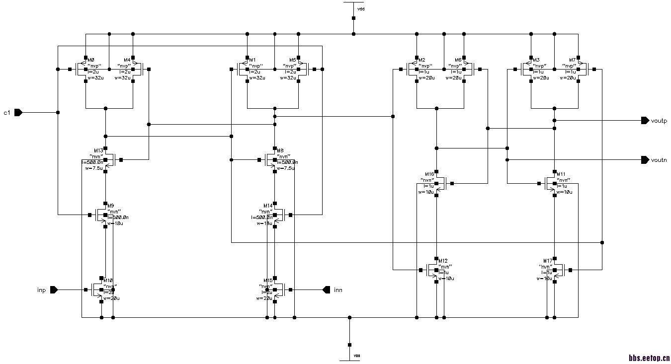
采用下图结构

其仿真结果中,在正负转换期间输出表现一段时间电平不稳定,如图,能否消除或减弱这种情况,另外传输延迟应该怎么减小?求大神


采用下图结构

其仿真结果中,在正负转换期间输出表现一段时间电平不稳定,如图,能否消除或减弱这种情况,另外传输延迟应该怎么减小?求大神


搜
[img=300,300][/img]
who can answer?
申明:网友回复良莠不齐,仅供参考。如需专业解答,请学习本站推出的微波射频专业培训课程。
上一篇:2nd sigma-delta的稳定性问题
下一篇:请教关于VCO

