带隙电压源的问题
请问大家,我更改了第1个电路,想利用它进行二阶温度补偿,所以造出了第2个电路,我想问一下第2个电路能实现二阶补偿吗


期待着大家的精彩回答
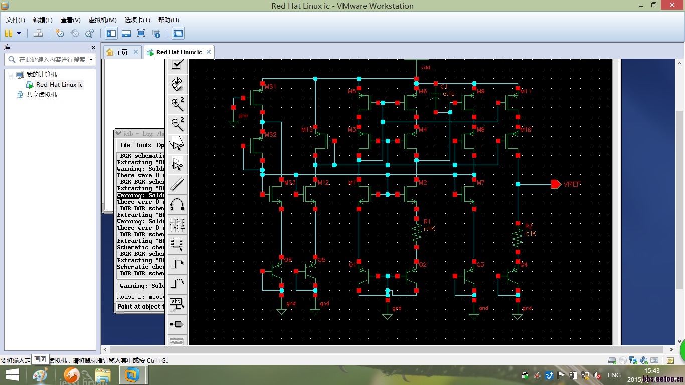
请问第一个电路的Q3,Q5,Q6三条支路,分别是什么作用呢?
在第一个电路Q3分支没有做什么。没有什么区别,如果你完全删除Q3分支。
还有用。
可以实现二阶补偿,但是电路不太完整,Q3到另外支路R4顶端也需要同样大小的横跨电阻来balance产生的非线性补偿电流Vt(lnT), 这样就能实现二阶温度补偿了。
二阶补偿是需要产生Vt(lnT)因子的电流在补偿-Vt(lnT)的电压非线性项。
这种跨接在Q1和Q3上的R可以产生Vt(lnT)/R4的电流。从而来实现高阶补偿
文献中说Q3支路是反馈作用,可以使M2和M4之间的节点电压与M1和M3之间的电压一致
Q6是启动电路,Q5是偏置电路,Q3是反馈电路,但是我不明白
是这样吗 ,可是我图中圈出的两个点的电压似乎不能一致,因为没有运放钳位,但是我仿真了一下发现他两电位一致的!就是电流好笑啊,各点的电压也是很小,就图中圈出的两点电压才8mV左右,这是为什么呢
8mV肯定不对啊,证明这个电路没有正常工作偏置DC点不对的。
一个Vbe电压起码要在700mV左右。
而且这个电路要正常工作那两点电压必须相同。这个电路是靠上面的与电源无关的偏置
电路来实现嵌位的(两个支路要流相同的电流,电流镜的工作原理)作用与运放一样。
btw,我不知道你看的是哪个文献,最好多找两篇看看。据我所知这个电路确实缺少一个电阻,
就是我上次说的,那两个圈点都要有相同的电阻到Q3的,要不然估计你很难让它正常工作。
sorry!我没看到那个电阻你已经加上了。
剩下的就是调整一下参数,先让电路DC可以工作之后在看tran看看管子工作状态,偏置到位了吗。
我现在看到。它是NMOS级联的偏见。没有反馈。
这个电路似乎不工作,我仿真一下,发现各点电压都很小,只有几mV,而电源电压加的是3.3V
在这里每个管子都应该工作在饱和区是吗
请问你知道Q3支路的作用吗
你的参数设置的不对,你先把其他去掉先把核心电路调通了再说。
然后去找两篇论文看看,别找不太靠谱的论文。找点靠谱的看一下
好的 谢谢你的建议DC都不对
不客气申明:网友回复良莠不齐,仅供参考。如需专业解答,请学习本站推出的微波射频专业培训课程。
上一篇:求助该迟滞比较器的原理~
下一篇:如何观察电荷泵的电流大小

