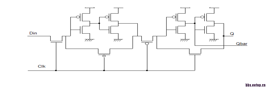
求助这个电路中下面的4个MOS管的作用是什么
录入:edatop.com 阅读:
上面的NMOS管跟PMOS管组成反相器我知道
我要对这个电路进行HSPICE仿真,但是对于电路不是特别明白 难道下面的MOS管就作为开关 吗
新手自学-- 请大神教导
这是一个D触发器 可是我总是觉得有点问题 感觉这个电路有点不对
类似D触发器的钟控
那做HSPICE仿真的时候这个应该作为什么来编写网表呢-- 别的我都知道 就是这个有点不清楚,难道也用普通的NOMS管PMOS管编写进去吗
Rabey的数字设计透析里有讲过这种D触发器
这种D触发器应该如何去编写网表呢- -
reset
网表没什么特别的,就按普通的来。
数据锁存
OK,I don not know how to write HSPICE netlist!and what should I do at first
分析下时序嘛,自己假设几个时间段。应该是clk为高时写入,为低的时候输出
申明:网友回复良莠不齐,仅供参考。如需专业解答,请学习本站推出的微波射频专业培训课程。

