关于spectre中变压器建模方面问题
录入:edatop.com 阅读:
各位大虾好:
如何在cadence中建模反激变换器?以前没仿真过变压器,不知道该如何建模!
请大家指教!
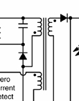
传个图

望大虾们也给俺截个图,具体的电路接法!
不胜感激
是不是建个电流比,和扎数比 以及电压的关系式。verilog-a写写试试吧。
变压器线圈就是电感吧,线圈耦合系数可以用analogLib里面的mind来表示。
聊大队长,您贴的资料还没密码呢吧
不好意思,不明白你的意思
flyback 有漏感一般
l1 np1 np2 700u
l2 ns1 ns2 30u
k12 l1 l2 0.9997
好像不能真的使用
申明:网友回复良莠不齐,仅供参考。如需专业解答,请学习本站推出的微波射频专业培训课程。

