SAR ADC中CDAC输出错误什么原因
录入:edatop.com 阅读:
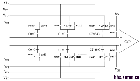
这是整个CDAC+比较器的结构,比较Vin1的时候比较器的输入端电压是正确的,比较Vin2的时候,在reset阶段,理想状况是比较器输入端的两个开关闭合,比较器的两个输入端均为VCM,但实际上V+要比VCM高8mv,而V-比vcm低6mv。这是什么原因呢?有什么解决办法吗?
一直是差+8/-6mv?
申明:网友回复良莠不齐,仅供参考。如需专业解答,请学习本站推出的微波射频专业培训课程。
上一篇:请问模拟集成中的译码器如何搭建?需要4-16或者8-256的
下一篇:在spectreRF中提取与最优噪声阻抗相关的参数

