simulink搭建PLL模型,我想用电阻和电容表示传输函数
录入:edatop.com 阅读:
各位大侠,
小弟在simulink中用传输函数仿真完PLL之后,想用电阻和电容代替传输函数来表达LPF,但是电阻电容和simulink的其他模块不在一个库里,需要转换才能使用,不会转换啊,请各位给指点迷津,已经困扰好处时间了。
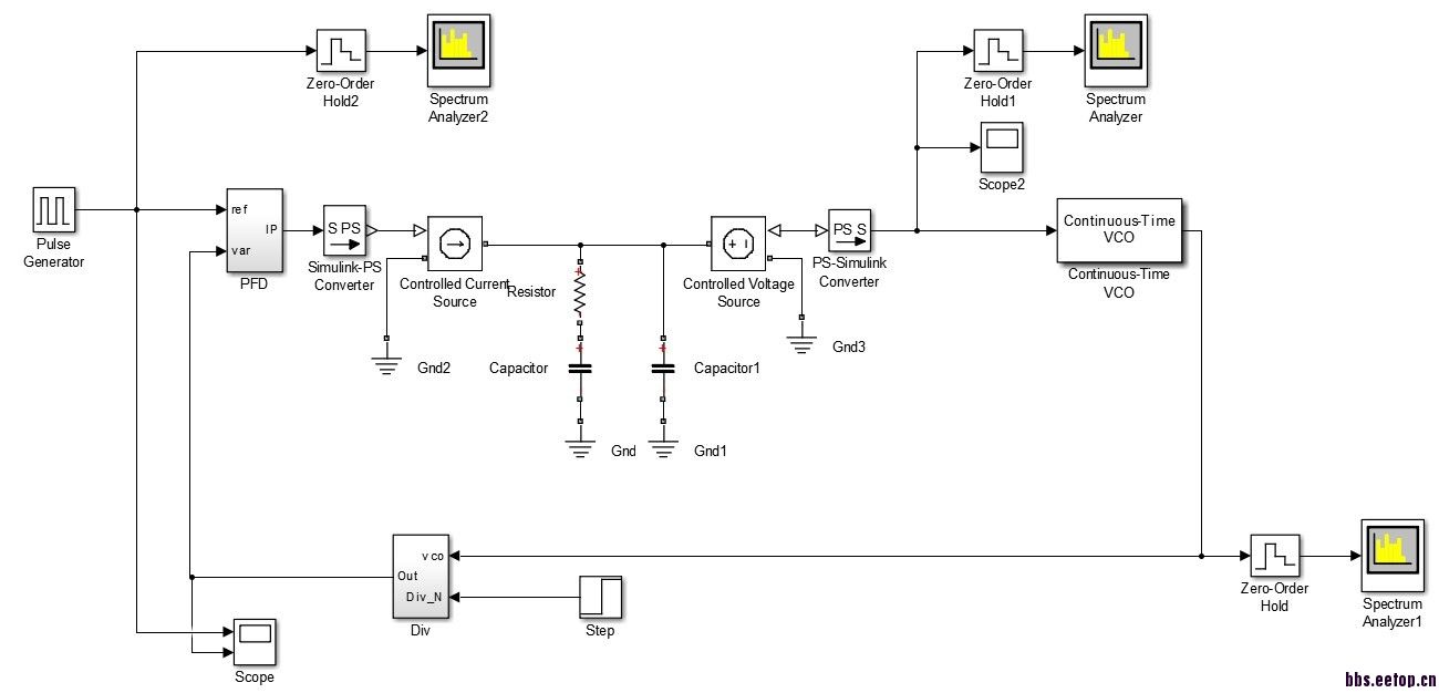
谢谢回答,附图是我搭建的simulink PLL 模型图,用了Controlled current Source 和Controlled Voltage Source.此时这两个受控源还是不能和PFD和VCO直接连,所以我用来看了Simulink-PS Converter。连是能连上了,但是不能仿真。请问该怎么将这两个受控源与PFD和VCO相连?这种问题的困扰很痛苦啊,大侠能给讲详细点吗?
小弟在simulink中用传输函数仿真完PLL之后,想用电阻和电容代替传输函数来表达LPF,但是电阻电容和simulink的其他模块不在一个库里,需要转换才能使用,不会转换啊,请各位给指点迷津,已经困扰好处时间了。
用控制源和检测模块。比如电压控制电压源。

谢谢回答,附图是我搭建的simulink PLL 模型图,用了Controlled current Source 和Controlled Voltage Source.此时这两个受控源还是不能和PFD和VCO直接连,所以我用来看了Simulink-PS Converter。连是能连上了,但是不能仿真。请问该怎么将这两个受控源与PFD和VCO相连?这种问题的困扰很痛苦啊,大侠能给讲详细点吗?
用控制源和检测模块。比如电压控制电压源
申明:网友回复良莠不齐,仅供参考。如需专业解答,请学习本站推出的微波射频专业培训课程。
上一篇:sigma delta adc simulink仿真中的量化器
下一篇:谁有PTFT hspice MODEL,下面是ntft hspice model

