折叠 共源共栅运放 增益 相位曲线这是什么情况呢?
出现这样的增益相位曲线,是为什么呢?它有什么缺点呢?求路过大侠指点呀!~。~
增益自举运放的仿真结果出现了这样的问题,
请问大侠们怎么改呢?谢谢啊!~

增益裕度不够吧
嗯,是不够,我是说怎么产生的?常用的解决方法呢?
明显的左半平面零点,gain增加,phase下降;用了miller补偿是吧
呵呵~没有用补偿,就是一个最简单的折叠共源共栅运放~
普通的5管运放存在固有的右零点,这个由寄生导致。具体RZAVI上貌似有推导
先前回复,打错了,是右半零点。这个问题是做一下pz分析吧,看看零极点的分布。理论上折叠共源共栅是不会出现这样的相位曲线的。
可不可以详细一点呢?有大概的分析,谢谢啦~
折叠共源共栅简化地认为只有一个极点,前提是第二个极点很远。但是从你这个图里可以看出,在1GHz的地方有两个共轭极点。应该是Ap和An的输入端引入的两个极点。你可以看看书上的计算分析怎么把第二个极点往外推,我觉得是Ap和An的Gm太小,或者输入端的C太大。
想了一下,也有可能是这样的。
现在GBW在1Ghz左右,说明输入管的gm很大,那么W/L很大,在折叠点看到的寄生电容就很大。因为折叠点的阻抗也不小,所以这个地方有较小的第二极点。这个应该可以通过减小输入管gm来改善。
小信号等效模型推导一下吧。
那怎么做零极点分析呢?没有做过,求指导啊!~
嗯,感觉您的分析很有道理,对我很有启发!对于输入管gm,宽长比是4.97u/400n,这个应该不是很大;
而且单个的Ap、An都只有50dB左右,我试着您说的方向去调调看~,非常感谢!
你的输出负载电容是多大?这个宽长比有点奇怪啊,不考虑offset吗?gm是按照多少给的?能不能把具体电路贴上来,看看具体的参数。
子环路没有稳定吧
子环路没有稳定是怎么影响整体电路的频率特性的呢?能简单分析一下吗?
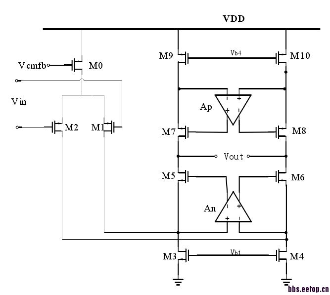
输出负载电容没有啊!(看来这还是个很重要的问题!);宽长比是自己调的,一般的宽长比是怎样的呢?;gm是随着调管子的时候而变化的,没有计算gm;offset怎么考虑?;具体电路就是三个基本的折叠共源共栅组合成的,增益提高运放~感觉运放调起来,问题多多呀~
仿真的时候根据负载电容和带宽的要求定下来输入管的gm。GBW=gm/CL。你之前说的管子的面积太小太小了,offset会非常大。EE140里面的运放设计部分还不错,你可以瞅瞅去。:-)
offset和gm的关系是怎样的?~看来还有很多东西都还不知道,下来一定去多看看EE140的视频~谢谢了~
小编注意观察增益曲线,增益曲线第一次下降是因为在这个频率处遇到了主极点,在经过这个主极点时增益曲线将按照-20db/十倍频程下降,然而当频率增加到接近1GHz时,增益曲线开始变得平缓,为什么?因为在这里遇到了零点,不论是左半边零点还是右半边零点对于增益曲线的影响总是会使增益曲线开始以+20db/十倍频程上升,考虑到之前的主极点的影响是-20db/十倍频程下降,两者抵消,所以增益曲线开始变得平缓。
再看相位曲线,在大约10倍主极点频率处,相位已经完成了90度的变化,所以在遇到零点之前有一段是平缓的,当遇到零点时,相位曲线又开始以-45度/十倍频程开始下降(由此可见此处遇到的这第一个零点是右半边零点,如果是左半边零点相位曲线则会以+45度/十倍频程上升),但是,刚维持-45度/十倍频程的下降幅度没多久,就开始急剧的下降,为什么?是因为遇到了两个相距非常近的极点,为什么是两个极点而且相距很近呢?是曲线告诉我的,再看增益曲线,其一小段平缓之后的下降幅度绝不是之前的-20db/十倍频程,而是下降幅度明显增大,因此我判断是连续遇到了两个极点导致产生了-40db/十倍频程的变化,才使得下降速度如此迅速,之后相位曲线的平滑阶段又是因为遇到了左半边零点才出现+45度/十倍频程导致和之前的极点的影响相互抵消。
小编研究的这个频率已经足够高,所以在高频处会遇到很多零极点,如果只考虑1G范围内的频率刚刚说到的连续极点和零点完全是可以忽略的,本来管子G、S、D处总是会有对地电容的,但是他们有些很小,在低频时可以忽略,但是当考虑到高频时,就不可以忽略了,所以才有那么多零极点出现。
考虑到你的相位裕度不足,而且低频增益已经够高,第一个零点的频率也已经很高(达到几百MHz),因此可以引入弥勒补偿,将次主极点往原点靠拢,使增益曲线更快的下降,有望在大于45度的相位裕度下获得超过100M的单位增益带宽。
嗯,谢谢你的分析~这段时间看了一些关于运放频率特性的资料,仔细读了几遍,觉得你的分析很有道理,感觉收获挺大的;同时,我想要得到的单位增益带宽在300MHz以上,
试了一下,增加弥勒补偿以后得到60度左右的相位裕度时,单位增益带宽已经不满足要求了,所以看来还得折衷一下增益;
(另外,想问一下,怎么消除零点或者把它移到左半平面呢?)下来还得去好好学习学习一下,仿真一下
再次感谢啦~呵呵~
调米勒补偿的电阻就可以把零点弄到左边,你在仿真的时候多试试就可以了
嗯,好的~谢谢了
赞
申明:网友回复良莠不齐,仅供参考。如需专业解答,请学习本站推出的微波射频专业培训课程。
上一篇:求助Assura的RCX提参遇到的一个问题
下一篇:什么是电阻的非等平面性?

