新手求教分析一个运放! 急~
录入:edatop.com 阅读:

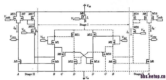
各位前辈好,我想请教一下:1、上图中2nd stage的AB类输出级是如何工作的?也就是说,如何体现AB类的?
2、2nd stage的AB类输出级管子的宽长比如何设置呢?
论文出处?
哦?就是在知网上下的文章,好像是清华设计的,不是侵权了吧?
顶一下!
申明:网友回复良莠不齐,仅供参考。如需专业解答,请学习本站推出的微波射频专业培训课程。
上一篇:VCO-QVCO-多路VCO
下一篇:Low power Bandgap的问题

