求助大神解答一下这个电路的启动电路运行原理!急!
为何人们看了不回啊。好心塞,很急的
假设。
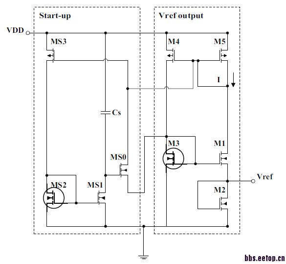
快速上电时,由于电容耦合的关系,电容的负端电位会接近电源从而打开MS0管向M3管的gate灌入电荷,从而启动后面的电路,当后面启动完成以后,M5的电流镜像到MS3上再通过MS2镜像到MS1上通过MS1将MS0的gate拉低,将MS0关断从而退出启动电路。
这个电路用到电容了还滞留一路功耗,这个启动电路不算是是特别好的电路了吧,理论上慢上电的时候存在不工作的情况。
哇哦,大神出现了,确实这个启动电路性能不怎么好,启动时间要0.5 ms,只是时间紧迫,来不及对电路进行修改就开始仿真做版图了
大神,电容在直流电路中不是相当于断路么?MS0栅端的电压起初是谁给的呢
不要叫我大神~,我也是小菜鸟一枚~,正是有问题想要请教才来这里的,不解的是你为何让所有的MOS管都进入亚阈值区?
假设电路初始稳定在0状态。
系统上电,注意MS1是断开的,随着VDD上升,在电容作用下MS0启动管被打开,MS0起一个电阻作用,连同M5和3一起形成了电流通路,打破电路0状态。
之后,随着VDD继续上升,MS3被打开,和MS2一起形成通路,打开MS1,使得电容下边拉到地,关掉MS0启动管,不影响主体电路状态。由于主体电路M5为电阻连接模式(一定饱和),而MS3为高阈值管子,于是电路稳定后,MS3被关闭,节省功耗。但是MS1的漏,也就是电容下边已经稳定到0状态,不会让MS0再导通了。
至此,电路启动完成。仅供参考。
电容耦合的啊~,如果是dc扫描的话,电容的负端就不会有相应的行为,利用的是电容两端电荷不能突变的原理,慢上电想要可靠的话,电容就要取大一点。
吆,已经有人分析了啊。
如何理解慢上电时候存在不工作的情况?如何去分析。
过慢的上电,电容不足以将其负端耦合到MS0的阈值电压的话,MS0则无法打开,这样的话整个启动电路就无法工作了啊
电源电压很小,设计指标是低功耗基准源,亚阈值状态比较适合设计吧。仿真结果除了启动时间和PSRR外,其余指标都很不错
谢谢啦~
呵呵,不用谢。同是学习。不过,你主体电路不调在亚阈值区,适当调整也能保证高阈值部分关闭吧,亚阈值区电路可靠性有点低,即使流片成功,误差也蛮大,风险较大。
恩,学到了,这个电路只是一味的想追求低功耗,理论的一款设计而已哈
学习了
申明:网友回复良莠不齐,仅供参考。如需专业解答,请学习本站推出的微波射频专业培训课程。
上一篇:sentaurus TCAD
下一篇:讨论ADC的FOM的合理性

