数字修调电路的疑问?
录入:edatop.com 阅读:
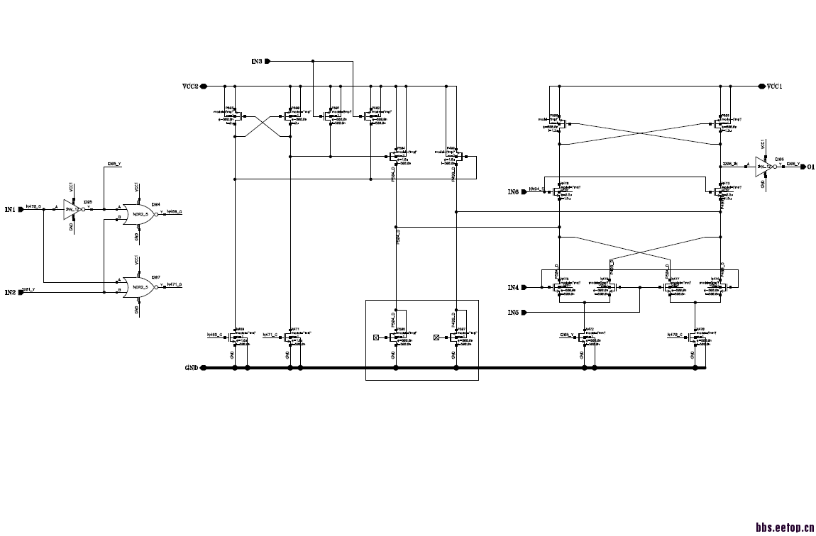
各位大神下午好:最近在研究一个带数字修调的IC,其中用到的存储单元与以往的EEPROM版图不太一样,这里面只用了一种悬空栅极的器件,不知道具体是怎么实现数据的读写,望大神赐教,另附照片!
谢谢!
两端加高压,电子加速会打到悬浮poly上存下来,一般OTP不都这样做吗
你好,像你说的这种机制,类似于flash,可这种器件一般是有两个栅极的,其中一个是浮栅,用来存储电荷,在我上面的照片中看不到浮栅,所以比较困惑。
图片很不清楚,有可能是用金属代替栅极加电场。瞎猜的。
你的帖子不是写着有悬空栅极的吗
如果是flash,有两个栅极,其中一个与MOS管一样的栅是要接电位的,而另一个悬空的栅极在正常poly层的下面,是看不到的!
嗯,图片上没有金属栅。
浮栅有很多种方式的,你说的叠栅可以用电位直接擦写,我说的浮栅和普通poly是一样的,用UV擦写
你好,非常感谢你的回复。 现在仍有一些疑问,不管用哪种擦除方式,应该都需要有一个接电位的栅极来进行写操作吧,要不然怎么写呢?
那个管子只负责开关选通功能,也许没有和你图上的管子放在一起,串联在其他地方

回复 10# kwankwaner 上面图里的是悬浮栅的PMOS管和普通PMOS管的对比,后面是浮栅MOS所在部分整理好的电路,其中浮栅被框起来了。
左边为写电路,右边为读电路。
写就是一个浮栅结构
申明:网友回复良莠不齐,仅供参考。如需专业解答,请学习本站推出的微波射频专业培训课程。
上一篇:求助~~hspicerf 仿真pfd+cp+lpf+iref的噪声,总是出不来想要的结果
下一篇:求书: Microelectronics: Digital and Analog Circuits and Systems

