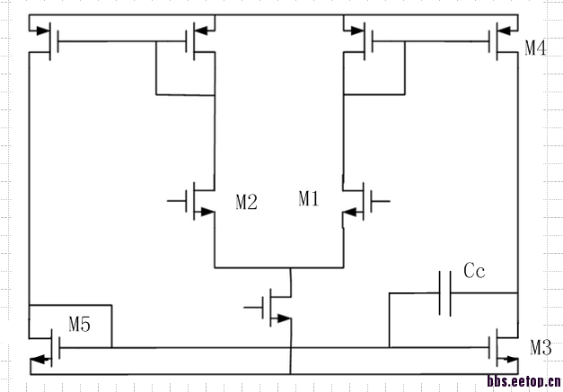
这个对称性运放的电容倍增了多少呢?
录入:edatop.com 阅读:

想知道补偿电容Cc倍增了多倍,是不是和普通的密勒补偿一样变成了gm3*(ro4||ro3)倍?
1+((W/L)3/(W/L)5)
为什么是这么多?有没有相关的资料。非常感谢!
从M3的栅极看到的电容应该就是gm3*(ro4||ro3)*Cc,只是这种补偿似乎作用不大?
就是个没用的电路
对于Cc来说就是它两端看到的增益的Miller Effect
又是管子
The same as miller cap
这是个一介运放,不用补偿吧。gm3*(ro4||ro3)*Cc比较靠谱
赞同,根本不需要补偿,单极点电路。
一般不需要补偿电容,除非负载电容特别小
一定要称赞一下的
正解
为什么?怎么推出来的?
不是1介,是2介,次极点位置很远罢了
两级运放,不是米勒补偿。电容两端分别加在了第二级差分输出两端,不是反馈。影响小信号增益。
如果观察不出来,想要详细结果,可以画小信号模型(只包含M3 M5 Cc),计算输出节点阻抗:
近似一下就是前面说的结果,有一个极点一个零点,极点被放大1+gm3/gm5倍,零点gm5/Cc
谢谢指点,已经算出结果,就是想咨询一下,如何能够观察出结果呢?毕竟这样算有点麻烦。
申明:网友回复良莠不齐,仅供参考。如需专业解答,请学习本站推出的微波射频专业培训课程。
上一篇:芯片测试时出现问题,芯片把电源的输出电压都改变了
下一篇:LVS电感识别问题

