这个电流基准从哪个地方开始设计?
录入:edatop.com 阅读:
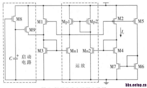
各个MOS管的宽长比大致是什么数量级本科生毕设,没有具体指标,能仿真出来个结果就行用cadence spectre tsmc018
申明:网友回复良莠不齐,仅供参考。如需专业解答,请学习本站推出的微波射频专业培训课程。
上一篇:SAR ADC gain error
下一篇:一个(不完整)基准电路
各个MOS管的宽长比大致是什么数量级本科生毕设,没有具体指标,能仿真出来个结果就行申明:网友回复良莠不齐,仅供参考。如需专业解答,请学习本站推出的微波射频专业培训课程。
上一篇:SAR ADC gain error
下一篇:一个(不完整)基准电路