关于LDO 的输出和环路稳定性问题
录入:edatop.com 阅读:
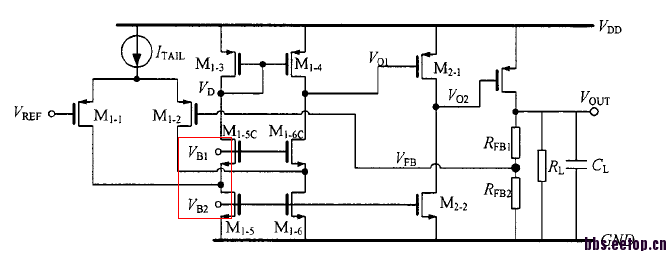
想做一个无片外电容的LDO ,电压变化范围1.4~2.0,输出1.2V,下面是原理图和输出图,以及STB 仿真结果。(还没有进行补偿)求教几个问题:
1,为什么输出不是一条抛物线?可能是哪个环节出问题了?
2.STB仿真结果貌似极点重合在低频了?求 助如何解决?
还望做过的大神多多指教


1,为什么输出不是一条抛物线?可能是哪个环节出问题了?
2.STB仿真结果貌似极点重合在低频了?求 助如何解决?
还望做过的大神多多指教


没人吗?自顶一下
net139是基准输出?
就是LDO最后的输出。不知道为什么不是一条抛物线
单调温度特性很正常,又不是bandgap有正负温度系数补偿
第一个问题,你的LDO输出电压和VREF有关,VREF得是一个抛物线形状LDO的输出才能是抛物线,第二个问题,你的误差放大器是二级结构,加上调整管相当于一个三级的放大器,所以零极点很多,一定要好好设置零极点,才能保证环路稳定性
抛物线是PSRR曲线吧。你仿的是输出点对输入参考点的特性曲线。换成相对电源试试。
请问一下,确定了反馈系数和功率管的最小尺寸之后,如何确定两个电阻值的总大小啊?电阻的值会影响哪些参数?
申明:网友回复良莠不齐,仅供参考。如需专业解答,请学习本站推出的微波射频专业培训课程。

