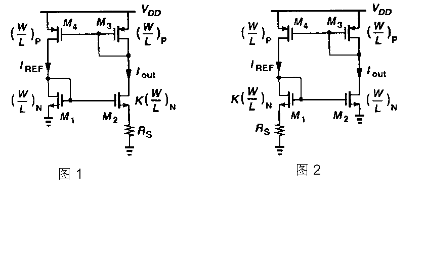
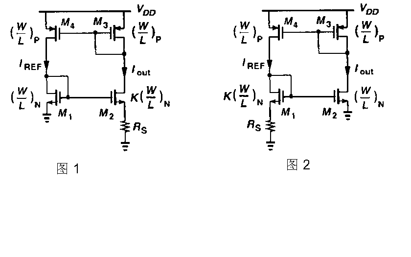
PTAT电流源的反馈类型
问题来了,如果我们把M2和RS组合看为正向放大器,M1,M3,M4的组合看为
反馈网络, 那么 这是个什么类型的反馈~? 比如 电压并联正反馈~ 或者 电流并联~
或者其他~ 以及 为什么能看为这样的反馈~
又或者只以 M2作为正向放大器,其他的作为反馈网络来分心~ 又是什么类型的反馈 为什么很有意思的问题, 大家讨论讨论~


从M2的栅端断环,算开环增益
可以看出这是一个正反馈,且增益大于1
很有意思
-,- 说的是图1那个 正反馈环路增益是小于1的那个 现在要说说的是 什么样的反馈类型~ 如电压并联正反馈 还有理由噻~
图2是增益大于一的正反馈
这也是为什么不能用来获得电流的原因
至于是什么类型的反馈,
呵呵,正反馈也分电压电流和并联串联么?恕我孤陋寡闻
图1和图2都是正反馈,但图2的环路增益大于1,不稳定,一般采用第一种结构
偶意思是说 在正反馈环路增益小于1,正反馈系统依旧稳定的前提下,
应该可以提出与负反馈的常规双口单向网络分析一样的方法,这样分析电路时要高效的多~
谢谢讨论 不过现在说的不是你这方面
这分明是面试的考试题嘛~
7# 122013137
呵呵,1220老弟加油,突然想起来 高频电子的书上好象有正反馈类型的分析,手头没书,你可以去看看 有什么心得再上来讲讲
同一个反馈回路不管从哪儿断开都是一样的反馈极性和反馈系数么不是
M2下面的那个degeneration电阻本身是一个local的负反馈,这个没什么好分析的啊
你认为 反馈极性和反馈系数是什么 为什么~
这问题是我闲的没事想的
哥都奔3了 - -
在正反馈环路增益小于1,正反馈系统依旧稳定的前提下,
应该可以提出与负反馈的常规双口单向网络分析一样的方法,
这个方法我们可以套用负反馈的公式推导来直接看物理意义(推导过程当然要注意下反馈细节),我发这个讨论是想看看大家的有什么不同的角度来看待这个问题~多辩论下总是好事
楼上的,好见识,我们公司就用过这道题哦
我手动推到过!
求教诸大神,环路具体怎么算?急急急!
这两个电路定性分析比较容易懂
图1,假设瞬态m2电流大于m1,通过镜像,m2m1栅极电压抬高,使得m1m2电流同时增加,但是m2有源极电阻反馈,抬高的电压基本加到电阻上,所以这一路的电流是类似电阻的线性增加,而对于m1而言则是双极管的指数增加,速度要块于m2路,所以这样以来m1电流最终会追赶上m2路,达到平衡。
图2,假设瞬态m2大于 m1通过镜像m2m1栅极电压抬高增加m1电流,同时m2 电流指数增加,m1类线性增加,所以m2电流增速快,m1电流会被m2越拉越远。
电压并联负反馈

把M2.M3和RS看成一个运放,左边就是一个反馈环,不就知道了么
不错的讨论,学习了!
申明:网友回复良莠不齐,仅供参考。如需专业解答,请学习本站推出的微波射频专业培训课程。
上一篇:模拟设计方向微电子研究生 工作问题
下一篇:关于mos的直流偏执问题

